| |||||
FORUM HardWare.fr

Discussions

Vie pratique

[Topic Unik]Construire / rénover sa maison ; Bientôt sur steam| Auteur | Sujet : [Topic Unik]Construire / rénover sa maison ; Bientôt sur steam |
|---|---|
jma64 Electricien chez MOI 8-)) | Reprise du message précédent : |
Publicité | Posté le 31-12-2021 à 23:44:51 ![]() ![]() |
teepodavignon |
--------------- Laurent est mon fils. |
teepodavignon |
--------------- Laurent est mon fils. |
Roger01 |
|
f1csc |
Message édité par f1csc le 01-01-2022 à 08:54:29 |
kida |
--------------- .::| Feedback |::. |
eeeinstein Électricien au CERN |
|
kikou2419 |
--------------- TU Nvidia Shield Android TV |
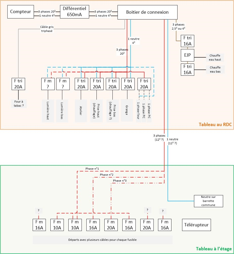
Phenix21 | Hello
Message cité 1 fois Message édité par Phenix21 le 02-01-2022 à 10:13:19 |
Publicité | Posté le 01-01-2022 à 18:30:49 ![]() ![]() |
Phenix21 | Oui, on a encore besoin du triphasé puisque certaines machines (scie à ruban, raboteuse, ...) continuent de tourner avec. Il reste également des radiateurs triphasés dans la maison |
WhyMe HFR ? Nan, connais pas ... |
--------------- FeedBack HFR |
teepodavignon |
delatruel |
|
Phenix21 |
|
eeeinstein Électricien au CERN |
Phenix21 |
|
Kelchacalcetype |
|
Roger01 |
|
eeeinstein Électricien au CERN |
Message cité 2 fois Message édité par eeeinstein le 02-01-2022 à 15:15:59 |
StanCW Parle à Monkey ... | je valide, la chappe pour le carrelage c'est un truc des années 80 --------------- ... ma tête est malade - "Est-ce que ce bruit dans ma tête te dérange?" |
philibear Orbital Bacon |
--------------- Mon topok ACH/VENTE: http://forum.hardware.fr/forum2.ph [...] ost=572744 |
Profil supprimé | Posté le 02-01-2022 à 16:31:09 ![]() |
eeeinstein Électricien au CERN |
|
philibear Orbital Bacon |
Message édité par philibear le 02-01-2022 à 16:35:47 --------------- Mon topok ACH/VENTE: http://forum.hardware.fr/forum2.ph [...] ost=572744 |
philibear Orbital Bacon |
--------------- Mon topok ACH/VENTE: http://forum.hardware.fr/forum2.ph [...] ost=572744 |
eeeinstein Électricien au CERN | J'en ai fait un paquet comme ça pourtant. Message cité 1 fois Message édité par eeeinstein le 02-01-2022 à 16:49:46 |
StanCW Parle à Monkey ... | t'es sur que ce n'est pas en faisant une dalle un peu plus épaisse ? --------------- ... ma tête est malade - "Est-ce que ce bruit dans ma tête te dérange?" |
philibear Orbital Bacon |
--------------- Mon topok ACH/VENTE: http://forum.hardware.fr/forum2.ph [...] ost=572744 |
eeeinstein Électricien au CERN |
|
philibear Orbital Bacon |
Message cité 1 fois Message édité par philibear le 02-01-2022 à 17:13:00 --------------- Mon topok ACH/VENTE: http://forum.hardware.fr/forum2.ph [...] ost=572744 |
eeeinstein Électricien au CERN |
C'est vrai que les derniers gros chantier je suis venus 3 fois une fois pour les tpc, 1 fois en hors d'eau hors d'air et une fois pour finir. |
khuzd_ |
|
eeeinstein Électricien au CERN |
|
khuzd_ |
|
Tamahome ⭐⭐⭐⭐⭐ | Bonjour !
--------------- Hobby eien /人◕ ‿‿ ◕人\ |
Publicité | Posté le ![]() ![]() |

FORUM HardWare.fr

Discussions

Vie pratique

[Topic Unik]Construire / rénover sa maison ; Bientôt sur steam| Sujets relatifs | |
|---|---|
| Soupes maison : vos recettes | Electricité a la maison: gros problème |
| Recherche déco pour maison | Faire du sport à la maison ? |
| Faire construire au lieu d'acheter ? | Cadeau à construire? |
| Maison d'édition ? | Cherche Maison a louer sur Limoges |
| [archi] Prix d'une maison en monomur terre cuite ? | maison de retraite!! |
| Plus de sujets relatifs à : [Topic Unik]Construire / rénover sa maison ; Bientôt sur steam | |


