| |||||
| Auteur | Sujet : [ VTT ] Une Fox 38 pour aller chercher le pain tu auras |
|---|---|
Tahitiflo éponge carré(e) | Reprise du message précédent :
--------------- Je ne sais pas si HFR rend fou, ou si c'est un asile de fou.©havoc_28 We are doomed |
Publicité | Posté le 21-12-2016 à 20:56:31 ![]() ![]() |
Kristoff I like China. ex cj27 |
|
everybodie | Mdr ce titre d'article chez Pinkbike : http://www.pinkbike.com/news/how-t [...] sette.html
|
Rober_le_Perver |
|
worm'skiller Le roi de la petit côte |
--------------- "le prix passe, la qualité reste" |
Yann_421 | Son choix est le bon, la description le dit bien: Détails importants La technologie de pointe fait de ce Trek le meilleur vélo tout-suspendu. Ok les marketeux, pas besoin d'en dire plus. --------------- Flick r |
kham Le temps passe trop vite... |
|
kham Le temps passe trop vite... |
11/46 avec un 30t devant, c'est le montage que j'ai. Après, triple/double/mono c'est vraiment une question d'adaptation. On a 4 VTT à la maison: A part le temps d'adaptation au départ, et la gymnastique mentale des passages de rapports je passe partout pareil avec les 4 vélos. Et ca ne me dérange pas outre mesure d'avoir mono/double ou triple. Pour ce qui est de dérailler, je dirais même qu'avec le Trance 2 en double et anti-déraillement MRP on a jamais eu de problème. Avec mon mono, j'ai déjà déraillé (à cause d'un morceau de boue bien collé et bien collant entre 2 dents) Ceci dit, c'est vrai que c'est agréable de ne pas entendre de bruit de croisement de chaine et d'avoir un cintre bien net Message cité 1 fois Message édité par kham le 22-12-2016 à 08:47:41 |
niku viaggiando controvento |
|
Publicité | Posté le 22-12-2016 à 09:01:31 ![]() ![]() |
kham Le temps passe trop vite... | démarche consumériste |
homme des bois Keep cool and stay Brutal |
--------------- Viendez faire du VTT |
niku viaggiando controvento |
Gnomovtt |
delantera Hail Seitan. | +1 --------------- 500px People who think they know everything are a great annoyance to those of us who do. |
homme des bois Keep cool and stay Brutal |
Message cité 1 fois Message édité par homme des bois le 22-12-2016 à 09:34:03 --------------- Viendez faire du VTT |
golfix La lenteur est un art de vivre | --------------- “Traiter son prochain de con n'est pas un outrage, mais un diagnostic.” Frédéric Dard . |
homme des bois Keep cool and stay Brutal |
worm'skiller Le roi de la petit côte |
--------------- "le prix passe, la qualité reste" |
gerrar Le Général | Non un fabricant qui a des distributeurs ne fera jamais le prix revendeur à un particulier. Ou alors il cherche à s'attirer des grosses grosses prises de tête avec son principal circuit de distribution. Fin c'est la base du business Sinon j'attend mes entretoise... 2 mois et demis de SAV pour une Monarch prise en garantie... Message cité 3 fois Message édité par gerrar le 22-12-2016 à 09:44:17 --------------- Troll'ART | Rire de l’anus de son voisin n’est pas un crime mais convier toute sa famille à le faire est inadmissible. |
golfix La lenteur est un art de vivre |
--------------- “Traiter son prochain de con n'est pas un outrage, mais un diagnostic.” Frédéric Dard . |
niku viaggiando controvento |
|
bneben 'Ben Gwin' de son vrai nom. |
Il est marrant le Mr Bon allez va, trouve nous le magasin qui te proposera l'équivalent du Jeffsy @1500. Et pour info, ma fourche était très bien montée. De temps en temps il faut enlever un peu le sable que tu as dans les yeux et lire correctement les posts Peace Message cité 1 fois Message édité par bneben le 22-12-2016 à 10:29:16 |
niku viaggiando controvento |
|
ilium Candeur et décadence |
|
pvcr |
|
golfix La lenteur est un art de vivre |
--------------- “Traiter son prochain de con n'est pas un outrage, mais un diagnostic.” Frédéric Dard . |
everybodie | Oui il faut retirer le fond de jante.
Message cité 5 fois Message édité par everybodie le 22-12-2016 à 16:34:41 |
delantera Hail Seitan. |
--------------- 500px People who think they know everything are a great annoyance to those of us who do. |
golfix La lenteur est un art de vivre |
Message édité par golfix le 22-12-2016 à 17:18:09 --------------- “Traiter son prochain de con n'est pas un outrage, mais un diagnostic.” Frédéric Dard . |
homme des bois Keep cool and stay Brutal |
--------------- Viendez faire du VTT |
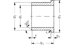
gerrar Le Général | Quelqu'un a un tuto pour savoir comment dimensionner ses entretoises au niveau de l'amorto ? J'en peux plus d'attendre que les casques à pointe se reveillent. J'ai vu que je pouvais les prendre sur des site de VPC et je me suis dit qu'il fallait juste que je prenne l'espacement entre les patte qui servent de support à l'axe et que je prenne l'entretoise qui à l'empatement le plus proche. Thx Message cité 1 fois Message édité par gerrar le 22-12-2016 à 16:59:23 --------------- Troll'ART | Rire de l’anus de son voisin n’est pas un crime mais convier toute sa famille à le faire est inadmissible. |
bneben 'Ben Gwin' de son vrai nom. |
Mesure toute les dimensions (diamètre, longueur) au plus juste. Message édité par bneben le 22-12-2016 à 17:24:29 |
squale22 |
|
bneben 'Ben Gwin' de son vrai nom. |
b1 Sinon prends les chez Igus. Message cité 1 fois Message édité par bneben le 22-12-2016 à 17:34:22 |
gerrar Le Général |
--------------- Troll'ART | Rire de l’anus de son voisin n’est pas un crime mais convier toute sa famille à le faire est inadmissible. |
golfix La lenteur est un art de vivre |
Message cité 2 fois Message édité par golfix le 22-12-2016 à 18:22:40 --------------- “Traiter son prochain de con n'est pas un outrage, mais un diagnostic.” Frédéric Dard . |
kham Le temps passe trop vite... |
--------------- Le topic Asie du sud Est |
marcoluni RAS |
|
Publicité | Posté le ![]() ![]() |






