| |||||
FORUM HardWare.fr

Electronique, domotique, DIY

Divers

[DIY] Vélo électrique BAFANG (page 1 récap infos)| Auteur | Sujet : [DIY] Vélo électrique BAFANG (page 1 récap infos) |
|---|---|
Publicité | Posté le 29-12-2023 à 14:26:35 ![]() ![]() |
vinzouille34 |
|
vinzouille34 |
|
Publicité | Posté le 02-01-2024 à 18:49:32 ![]() ![]() |
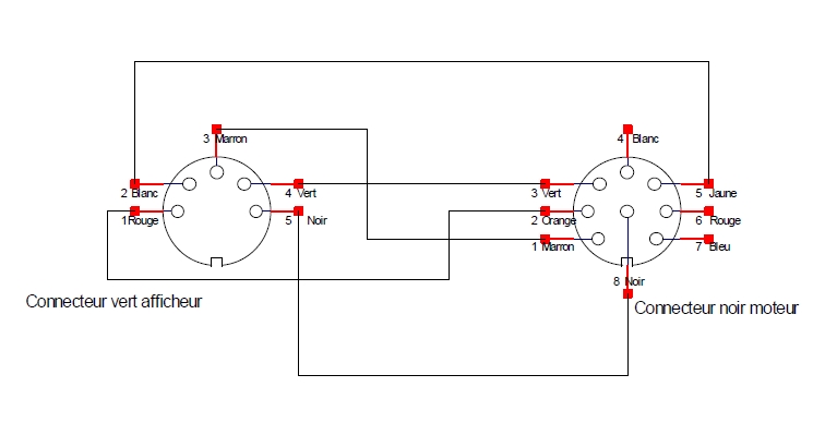
vinzouille34 | Oui c'est ça, j'ai l'ancienne version, les capteurs Gear Sensor et break sensor sont gérés pareil.
Message édité par vinzouille34 le 02-01-2024 à 20:57:53 |
kb_79 |
|
sorg trop sur HFR depuis 2001 |
|
matinr | Sorg, ca à l'air super, mais la batterie intégrée ne tient pas assez longtemps, le vélo va passer la majorité du temps (dans ma cave) sans batterie et cela pourrait durer longtemps. |
lopengl | Quelqu'un sait-il me dire si un moyeux Nexus 8 peut encaisser une électrification ? --------------- mon feedback ---> http://forum.hardware.fr/hfr/Achat [...] #t13225812 :) |
sorg trop sur HFR depuis 2001 |
|
lopengl | Je n'ai pas de gâchette. Je démarre toujours en assistance 1 --------------- mon feedback ---> http://forum.hardware.fr/hfr/Achat [...] #t13225812 :) |
Berkout143 |
--------------- Des bambées dans les Pyrénées et ailleurs... |
Berkout143 | D'ailleurs, voilà à quoi ça ressemble à l'intérieur, pour ceux qui voudraient faire pareil;
--------------- Des bambées dans les Pyrénées et ailleurs... |
meluor | Ça ne fait pas très envie ton accident de la circulation avec un VAE illégal sur la voie publique... |
mr oizo bis Don't feed the troll | |
Berkout143 | Nan mais concrètement j'allais à 10 km/h, la voiture et le cycliste n'ont rien eu Le cadre par contre.... --------------- Des bambées dans les Pyrénées et ailleurs... |
Shaad | Après un peu plus d'un an de test sur un VTT hyper entrée de gamme je reçois aujourd'hui mon nouveau joujou : https://www.bike-discount.de/fr/cub [...] rey-n-lime
Message édité par Shaad le 31-01-2024 à 11:35:23 |
Shaad | Quelqu'un peut me rappeler svp les références des plateaux intéressants pour remplacer ceux de nos moteurs pédaliers Bafang et maintenir une ligne de chaine correcte svp ? |
Horacio Caine | Beau cadeau que tu t'es fait --------------- Pour vivre heureux il ne faut pas argumenter avec les cons. La vie est trop courte pour s'emmerder avec eux. |
Shaad | Merci beaucoup. |
Shaad | Je demande à tout hasard : quelqu'un sait-il si les batteries Hailong G70 48V 17.5AH et 12.15AH vendues par PSWPOWER ici : https://www.pswpower.com/products/e [...] -motor-108
Message cité 1 fois Message édité par Shaad le 06-02-2024 à 10:32:50 |
bob34622 Disciplus Simplex |
|
Shaad | Pour info: l'équipe de PreciAlps travaille sur de nouveaux plateaux pour les moteurs Bafang, notamment du 40 dents compatible avec les chaînes 12 vitesses Shimano.
|
kb_79 |
|
sorg trop sur HFR depuis 2001 |
|
bob34622 Disciplus Simplex | Non, la tension doit être stable en sortie de chargeur. |
Shaad | Merci |
drpatch Blacklist avec uBlock |
|
Publicité | Posté le ![]() ![]() |

FORUM HardWare.fr

Electronique, domotique, DIY

Divers

[DIY] Vélo électrique BAFANG (page 1 récap infos)

