| |||||
| Auteur | Sujet : Le topic des amateurs de pure hi-fi |
|---|---|
BoraBora Dilettante | Reprise du message précédent :
--------------- Qui peut le moins peut le moins. |
Publicité | Posté le 06-08-2025 à 01:24:18 ![]() ![]() |
theBattousai | Le genre de matos qui fait rêver, mais que je ne m'achèterais jamais, sauf si je deviens millionaire |
Ali-Pacha AW | Aucune mouche n'a survécu sur ce topic |
BoraBora Dilettante |
Message cité 2 fois Message édité par BoraBora le 06-08-2025 à 10:39:54 --------------- Qui peut le moins peut le moins. |
daouar Shree Uvasaggaharam Stotra |
--------------- Ducouïte : maladie consistant à parsemer ses posts de "du coup" et "pour le coup" | TU des moteurs de recherche ! |
theBattousai | @ borabora
|
Leica James bonds furieux |
--------------- Photos noir et blanc : www.alexandremaller.com |
BoraBora Dilettante |
--------------- Qui peut le moins peut le moins. |
theBattousai | @ borabora
|
macdriverz Jinhua1920unautorized |
--------------- Swedish master |
Publicité | Posté le 08-08-2025 à 21:20:10 ![]() ![]() |
macdriverz Jinhua1920unautorized | An 80" subwoofer requires a 21" voice coil motor design
--------------- Swedish master |
BoraBora Dilettante | Cette éternelle obsession masculine d'avoir la plus grosse... --------------- Qui peut le moins peut le moins. |
bzhyoyo | Si tu es une baleine audiophile, why not, sinon je vois pas trop l'intérêt en effet. |
Hardtek Pompélup | Bonjour,
Message cité 1 fois Message édité par Hardtek le 09-08-2025 à 06:56:05 --------------- - Is that a gun in your pocket or are you just glad to see me ? - |
keke boum boum Imbécile heureux | Pour ta seconde question, tu as chez Soundcore un super RQP (et son).
--------------- Tu aimes la nature? https://youtu.be/y1mvpuU7cus |
david42fr | Hello,
--------------- A life spent making mistakes is not only more honorable, but more useful than a life spent doing nothing. -- Shaw -- mon topic de vente photo |
Fouge | La seule chose qui avait changé entre les 2 situation, c'est la pièce d'écoute ? Les 2 choses les plus influentes sur le rendu c'est pièce et enceintes. Message cité 1 fois Message édité par Fouge le 09-08-2025 à 13:57:11 |
david42fr |
--------------- A life spent making mistakes is not only more honorable, but more useful than a life spent doing nothing. -- Shaw -- mon topic de vente photo |
muzah ModérateurBal Musette @ HFR depuis 1997 | Amplificateur HC donc refaire une calibration pourrait s'avérer satisfaisant. --------------- un instant monsieur ça-va-chier |
david42fr | On a résolu le problème en remettant les 2 colonnes HC. Le son est potable pour notre utilisation et notre niveau d'oreille Bon, en fait, on a déplacé le souci puisqu'il faut maintenant reconstituer un home cinema (et une barre de son pour la chambre)!
Comme elles étaient utilisées en home cinema dans une chambre, ça n'avait jamais trop dérangé. Mais très clairement trop juste pour de la musique. Message édité par david42fr le 09-08-2025 à 21:16:46 --------------- A life spent making mistakes is not only more honorable, but more useful than a life spent doing nothing. -- Shaw -- mon topic de vente photo |
doum Mentalita nissarda |
|
macdriverz Jinhua1920unautorized | Pour illustrer la discution du SPL max sur des enceintes : 120 dB @ 1 KHz @10 % de THD mais ça c'est très facile à faire (le "record" que j'ai en tête c'est le système Air Array Incubus de VOID, qui crache 152 dB à 1m) ça se voit dans les autres specs : Sur une plus modeste KH150 (3300 € la paire tout de meme) avec un boomer de 6,5" : Moralité, si vous voulez pousser le son chez vous, sur le tube de l'été : utilisez des enceintes de sono pour ne pas casser le matos et les oreilles ; pour en plus n'attendre un volume sonore pas si fort que ça. Message cité 3 fois Message édité par macdriverz le 12-08-2025 à 10:07:10 --------------- Swedish master |
Hardtek Pompélup |
--------------- - Is that a gun in your pocket or are you just glad to see me ? - |
MaybeEijOrNot but someone at least |
Je suis allé voir sur la page, tu as du SPL en dB, en dB(A), en dB(C), à 1 m, à 2,3 m, à 4 m, en propagation libre hémisphérique, en propagation libre sphérique, en sinus, en bruit rose, avec des moyennes sur des gammes fréquences différentes, le tout en tentant de respecter des taux de distorsion différents. Bref bonne chance pour comparer quoi que ce soit. Message cité 2 fois Message édité par MaybeEijOrNot le 11-08-2025 à 14:14:42 --------------- C'est en écrivant n'importe quoi qu'on devient n'importe qui. |
BoraBora Dilettante |
--------------- Qui peut le moins peut le moins. |
Zorglub2016 |
Message cité 1 fois Message édité par Zorglub2016 le 11-08-2025 à 15:41:17 --------------- "Le zigzag est le plus court chemin entre un bar et un autre: J'y ai vomi mon Cognac, j'ai vomi l'Homme, j'ai vomi sa bêtise, je vomis sa prétention." |
Le Profanateur Passéiste désincarné | Osef de la disto avec un casque antibruit sur les oreilles --------------- Abordez la pente du bon côté ! \o/ Let the light surround you \o/ To bleed or not to be... |
Leica James bonds furieux |
Message édité par Leica le 11-08-2025 à 17:27:02 --------------- Photos noir et blanc : www.alexandremaller.com |
Yeam I'm your passenger | Hello ici !
--------------- — TOPIC ACHATS/VENTES — |
macdriverz Jinhua1920unautorized |
C'est tout simplement un constructeur qui donne des chiffres honnêtes, le SPL max "PMPO" qu'on lit partout c'est absolument n'importe quoi. Message cité 2 fois Message édité par macdriverz le 12-08-2025 à 10:18:10 --------------- Swedish master |
sub6tem |
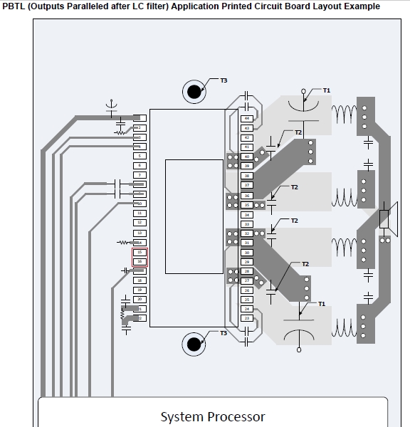
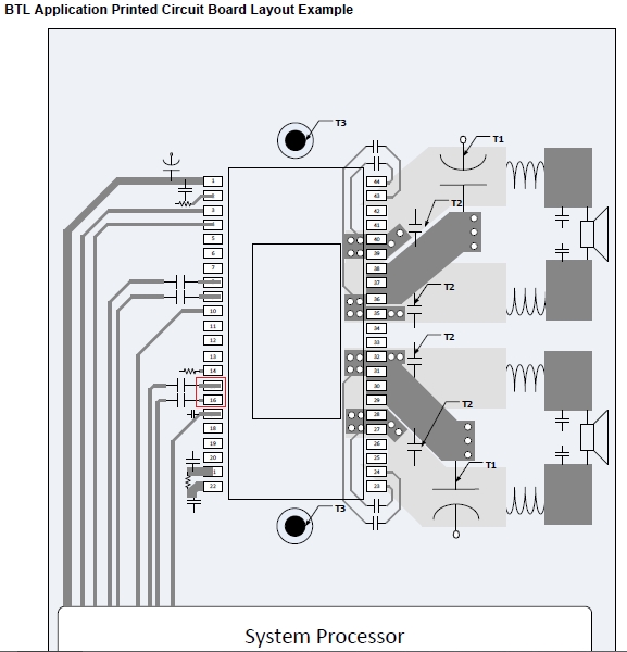
Ref de l'ampli ? (la plupart des classe D ne sont pas pontables en sortie )
|
Yeam I'm your passenger |
--------------- — TOPIC ACHATS/VENTES — |
macdriverz Jinhua1920unautorized |
--------------- Swedish master |
sub6tem |
|
MaybeEijOrNot but someone at least |
Je me suis mal exprimé, mon problème ce n'est pas de comparer les chiffres entre différents modèles mais sur un même modèle, essayer de se représenter les chiffres donnés. Je pense qu'avec tout ça tu te représentes clairement les performances de tes enceintes. Message édité par MaybeEijOrNot le 12-08-2025 à 12:29:18 --------------- C'est en écrivant n'importe quoi qu'on devient n'importe qui. |
BoraBora Dilettante |
--------------- Qui peut le moins peut le moins. |
Publicité | Posté le ![]() ![]() |

| Sujets relatifs | |
|---|---|
| [ topic HiFi ] Découplage des éléments | LE TOPIC : KISS DP-450 : Personne n'a ce bazar ? |
| Le topic : Dmx 6fire24/96- Audigy2 - descriptifs,avis,conseils.. . | des amateurs pour participer a une webradio?? |
| La domotique chez soit : Da Techno' Topic ! | Avis aux amateurs de zic classiques (je sais qu'ils sont nombreux ;)) |
| Plugin Winamp affichantles paroles (comme pure lyrics) | Topic <-> Casque Philips HP890 <-> |
| [Topic Unique] AudioGrail (ex-K-MP3) : trousse à outils ! | TOPIC - kits 2.1, 4.1 et 5.1... vos avis - |
| Plus de sujets relatifs à : Le topic des amateurs de pure hi-fi | |





