| |||||
| Auteur | Sujet : Armes à feu et tir sportif |
|---|---|
nic011 | Reprise du message précédent : Il me tente bien en petit .22 pour cramer des cartouches pour pas trop cher |
Publicité | Posté le 20-03-2017 à 09:33:39 ![]() ![]() |
Profil supprimé | Posté le 21-03-2017 à 18:12:51 ![]() |
thoulisse_bernard Duos habet et bene pendentes | S'il est condamné, il pourra pas avoir d'armes de cat. B |
Mistral_ winner Aucun rapport. |
Message édité par Mistral_ winner le 21-03-2017 à 19:29:51 --------------- Life is like a pubic hair on a toilet seat. Eventually you'll get pissed off... |
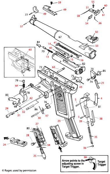
lopengl | Salut les tireurs. Quelqu'un possède t'il un ruger 22/45? J'ai un lite cobalt. --------------- mon feedback ---> http://forum.hardware.fr/hfr/Achat [...] #t13225812 :) |
hpdp00 bleus, c'est fou | tu lui ramènes...
--------------- du vide, j'en ai plein ! |
lopengl | J'aime bien essayé moi même avant de l'amener. Comme je ne peux pas le percuter, je ne peux pas le démonter --------------- mon feedback ---> http://forum.hardware.fr/hfr/Achat [...] #t13225812 :) |
fabienp |
|
hpdp00 bleus, c'est fou |
si le ressort de percuteur est tendu il faut chercher du côté de la détente.
--------------- du vide, j'en ai plein ! |
Publicité | Posté le 05-04-2017 à 00:49:12 ![]() ![]() |
nic011 |
|
thoulisse_bernard Duos habet et bene pendentes | Je viens de tirer avec ça aujourd'hui |
Profil supprimé | Posté le 05-04-2017 à 18:13:21 ![]() |
baggers |
--------------- C'était une petite provocation de ma part, bien sur ┌n┐(^_^') |
projektyle |
J'en ai essayé un il y a quelques temps, c'était honnête et pas dégueux du tout en précision à 10 mètres. Message édité par projektyle le 05-04-2017 à 19:28:39 |
baggers | Merci pour les références ^^ --------------- C'était une petite provocation de ma part, bien sur ┌n┐(^_^') |
voor0ck Bois, Eau, Feu, Métal et Terre |
--------------- L'invincibilité se trouve dans la défense, la possibilité de victoire dans l'attaque. Sun Tzu. |
thoulisse_bernard Duos habet et bene pendentes |
|
voor0ck Bois, Eau, Feu, Métal et Terre |
--------------- L'invincibilité se trouve dans la défense, la possibilité de victoire dans l'attaque. Sun Tzu. |
thoulisse_bernard Duos habet et bene pendentes |
|
Profil supprimé | Posté le 06-04-2017 à 15:19:55 ![]() |
voor0ck Bois, Eau, Feu, Métal et Terre |
--------------- L'invincibilité se trouve dans la défense, la possibilité de victoire dans l'attaque. Sun Tzu. |
Profil supprimé | Posté le 06-04-2017 à 17:57:58 ![]() tu découpes un trou sur le dessus |
thoulisse_bernard Duos habet et bene pendentes | |
thoulisse_bernard Duos habet et bene pendentes | Je reviens sur ma future armoire.
|
weyland yutani Not bad for a human |
--------------- /dev/null |
nic011 | Pour avoir constaté un paquet de cambriolages, j'ai jamais vu un coffre ouvert sur place. Par contre des coffres qui valent une blinde retrouvé éventré des jours plus tard, ça oui Le type qui veut ce qu'il y a dans le coffre, il l'embarque. Message cité 2 fois Message édité par nic011 le 08-04-2017 à 00:16:53 |
RemiFL | Mais ouais... |
Mistral_ winner Aucun rapport. |
--------------- Life is like a pubic hair on a toilet seat. Eventually you'll get pissed off... |
fabienp |
|
duck69 |
--------------- T'a la variante Duck qui consiste a manger des tomates farcies chez papa/maman, avoir la vie d'un moine au moyen age, acheter des drouilles au moment où elles valent rien, les revendre à *2 10 ans plus tard. |
RemiFL |
Message cité 2 fois Message édité par RemiFL le 10-04-2017 à 07:24:33 |
Publicité | Posté le ![]() ![]() |






