| |||||
| Auteur | Sujet : [Topicafé] Le Véritable Espresso par l'Isométhode |
|---|---|
younga | Reprise du message précédent : |
Publicité | Posté le 10-09-2012 à 18:13:31 ![]() ![]() |
nasdak | Du pid ou du shot ? |
gaston10241 |
Message cité 2 fois Message édité par gaston10241 le 10-09-2012 à 18:57:52 --------------- Quand c'est bon, y'a pas meilleur - Isologue |
younga |
|
younga |
|
Doulos | J'aimerais bien me lancer mais cela me parait un peu hard à monter. |
younga |
younga | sur !
|
Publicité | Posté le 10-09-2012 à 21:44:05 ![]() ![]() |
nasdak |
Message édité par nasdak le 10-09-2012 à 21:52:07 |
gaston10241 | Ah ouais ! pas mal pour un nespresso.
Message cité 1 fois Message édité par gaston10241 le 10-09-2012 à 21:52:42 --------------- Quand c'est bon, y'a pas meilleur - Isologue |
evilguinness |
Zesheriff Se tire + vite que son ombre |
--------------- Oh mais laisse allumé bébé / Y'a personne au contrôle / Et les dieux du radar sont tous out |
nasdak |
Message édité par nasdak le 10-09-2012 à 22:09:31 |
evilguinness |
--------------- |
gaston10241 |
--------------- Quand c'est bon, y'a pas meilleur - Isologue |
Zesheriff Se tire + vite que son ombre |
--------------- Oh mais laisse allumé bébé / Y'a personne au contrôle / Et les dieux du radar sont tous out |
frandon Citation personnelle associée |
--------------- Cdlt, |
nasdak |
derfone yepahhh |
|
isologue Certains l'appellent giorgio |
--------------- - Quand c'est con, y'a pas meilleur. |
frandon Citation personnelle associée |
--------------- Cdlt, |
Kheops_ |
c'est ce qui ce dit mais j'ai déjà lu des témoignages contraires, c'est un peu une mini légende urbaine enfin, je vais surement franchir le pas bientôt alors je verrais par moi même... ce qui est sur, c'est qu'elle demande un minimum d'investissement (financier et en temps) et un apprentissage du mode de fonctionnement mais une oscar ou une lelit aussi amha... après niveau encombrement/look, l'oscar ne m'attire pas trop... Message cité 1 fois Message édité par Kheops_ le 11-09-2012 à 13:15:54 |
defjay |
Parce que à ce prix, ca vaut bien le coup Message édité par defjay le 11-09-2012 à 14:19:24 |
younga |
|
nasdak |
|
defjay |
|
isologue Certains l'appellent giorgio |
--------------- - Quand c'est con, y'a pas meilleur. |
nasdak |
|
younga |
|
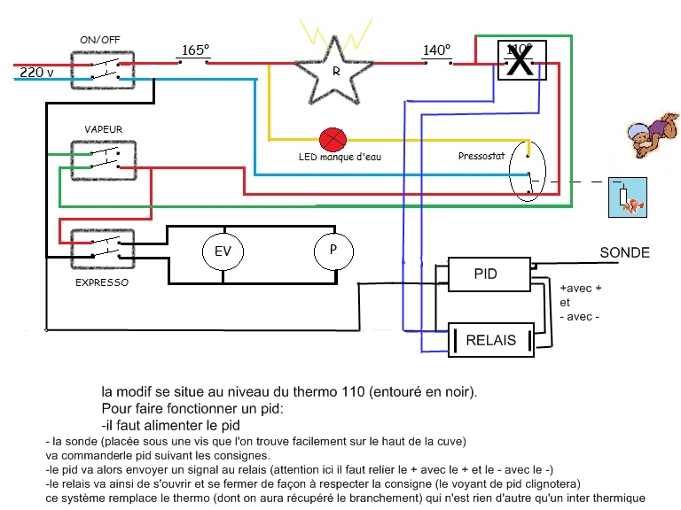
younga | le schéma que j'avais fait pour mon audrey (silvia stÿle)
|
nasdak |
|
defjay |
|
nasdak |
|
derfone yepahhh |
|
Kheops_ |
|
Publicité | Posté le ![]() ![]() |

| Sujets relatifs | |
|---|---|
| Le topic télé des trentenaires... | topic unique 106 16 S |
| [Topik unique des anti-Noël] - Merci pour la CENSURE ! | Le topic des gens qui apprennent le français ... |
| il est passé ou le topic sur "le pirate des Caraibes" ?? | Le topic des musiciens hors pair |
| Philo @ HFR | Es gebt an Englisher topic, des ech de Elsasich topic |
| [ topic unik ] Les concerts télévisés | |
| Plus de sujets relatifs à : [Topicafé] Le Véritable Espresso par l'Isométhode | |





