| |||||
| Auteur | Sujet : [Topicafé] Le Véritable Espresso par l'Isométhode |
|---|---|
babylone83 Corse :o | Reprise du message précédent :
|
Publicité | Posté le 27-04-2022 à 13:59:25 ![]() ![]() |
sckp |
babylone83 Corse :o |
sckp |
|
Ryan Foupoudav | Tant que tu ne postes pas de code promo, ça va --------------- "Nothing ever happens to the knowing with which all experience is known" |
babylone83 Corse :o |
Oui c'est une privatz joke La torref Italienne est foncé, certains ( dont moi ) la trouve brulé. C'est quoi ton usage ? |
MossieurPropre I d͟o̩n᷃'̵t͖ give a shit | Tant que t’as un Niche Zero, n’importe quelle pompe vide-cave scotchée à une passoire fera l’affaire |
frandon Citation personnelle associée |
gsans Slow food... slow.... |
Quelle est la question en fait ? --------------- My epic Food and Neapolitan Pizza Skills |
Publicité | Posté le 27-04-2022 à 16:05:54 ![]() ![]() |
sckp |
|
frandon Citation personnelle associée | café de supermarché en grains => topic café généraliste --------------- Cdlt, |
ours02 |
--------------- Nouveaux albums! https://www.flickr.com/photos/12372 [...] 3080957133 |
wade Mendiant de reconnaissance |
|
Proov Art & Science |
|
babylone83 Corse :o |
Si tu bois pas mal de boisson lacté je te conseil une machine avec vapeur instantané donc un thermobloc et pas une chaudière. Pour ce type de boisson je laisse les experts répondre. Mais je crois qu'on préfère en général les torrefs un peu foncé. Saches aussi que y'a un peu d'apprentissage pour faire un expresso, puis faire mousser son lait. Si toi tu es ok. Penses aussi à ta femme Et si tu n'es pas OK sur ca. Penses à envisgaer une machine auto type delonghi. Mais dans tous les putain de cas, arrête d'acheter du grain en super marché |
MaybeEijOrNot but someone at least |
--------------- C'est en écrivant n'importe quoi qu'on devient n'importe qui. |
wade Mendiant de reconnaissance |
Message édité par wade le 27-04-2022 à 21:37:36 |
frandon Citation personnelle associée | Redonne le topic à EvillGuiness --------------- Cdlt, |
Setlel | J'ai un petit souci de torréfaction, j'ai récupéré un Guatemala, Anacafe 14 (32CHF le kg en vert en Suisse Je ne vois pas trop comment gérer le problème en dehors de jeter les grains suspects, une idée? Message cité 1 fois Message édité par Setlel le 27-04-2022 à 22:06:50 |
Lautho |
|
frandon Citation personnelle associée |
wade Mendiant de reconnaissance |
Message cité 1 fois Message édité par wade le 28-04-2022 à 09:24:34 |
babylone83 Corse :o |
Mais même pas en plus
Mais la chaudière est à quelle t° alors ? |
frandon Citation personnelle associée | bien plus chaude que la T° requise pour l'extraction --------------- Cdlt, |
falaenthor Long Long Man | Ménon Babylone, quoi ?!? --------------- Col Do Ma Ma Daqua |
frandon Citation personnelle associée | cette imposture --------------- Cdlt, |
MaybeEijOrNot but someone at least |
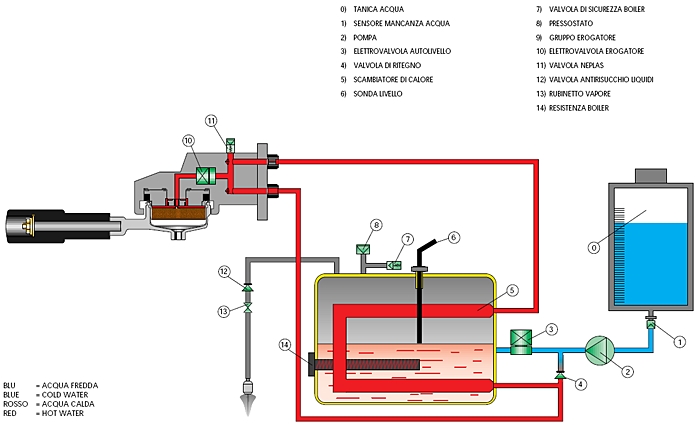
Le HX (échangeur thermique) c'est tu vas chauffer un "grand" volume d'eau, qui va circuler dans un radiateur plongé dans un volume d'eau plus faible pour réchauffer cette dernière. L'inertie du grand volume d'eau fait que tu vas obtenir une bonne stabilité et une montée très progressive en température du volume d'eau plus faible. EDIT : sur le schéma de falaenthor c'est le petit volume d'eau qui circule dans le radiateur qui est plongé dans le grand volume d'eau, ça fonctionne dans les deux sens. Mais en effet pour simplifier la circulation de l'eau, c'est plus simple de faire circuler le petit volume d'eau dans le radiateur puisque c'est celui qu'on doit faire circuler jusqu'au groupe d'extraction. Message édité par MaybeEijOrNot le 28-04-2022 à 11:28:14 --------------- C'est en écrivant n'importe quoi qu'on devient n'importe qui. |
pingu balboa Vieux pseudal nul :( | Bonjour,
--------------- [TU]Les imprimantes 3D VORON (avec logs des HFRiens, voir FP) |
frandon Citation personnelle associée | Le taulier est un brave gars, je te defends de dire ça --------------- Cdlt, |
MaybeEijOrNot but someone at least |
--------------- C'est en écrivant n'importe quoi qu'on devient n'importe qui. |
frandon Citation personnelle associée | Si BBC = Bâtiment Basse Consommation je capte pas la réf --------------- Cdlt, |
pingu balboa Vieux pseudal nul :( |
--------------- [TU]Les imprimantes 3D VORON (avec logs des HFRiens, voir FP) |
babylone83 Corse :o |
J'ai appris cette ref ce matin sur un autre topic. Ouais vous pouvez viendre au bbq si vous êtes en Corse |
Ryan Foupoudav | Résultats un peu mitigé pour l'instant avec le blend Javry enfin reçu, paramètres d'extraction sont okay. Je dois vraiment me forcer pour aller sentir les subtilités avec mes papilles. À voir s'il ne faut pas attendre que ça dégaze un peu, la torréfaction date du 15 avril. J'avais eu cette même impression de truc insipide avec mes premières tasses du Ti blend d'une torref très récente. À voir donc.
Message cité 1 fois Message édité par Ryan le 28-04-2022 à 14:49:50 --------------- "Nothing ever happens to the knowing with which all experience is known" |
Publicité | Posté le ![]() ![]() |

| Sujets relatifs | |
|---|---|
| Le topic télé des trentenaires... | topic unique 106 16 S |
| [Topik unique des anti-Noël] - Merci pour la CENSURE ! | Le topic des gens qui apprennent le français ... |
| il est passé ou le topic sur "le pirate des Caraibes" ?? | Le topic des musiciens hors pair |
| Philo @ HFR | Es gebt an Englisher topic, des ech de Elsasich topic |
| [ topic unik ] Les concerts télévisés | |
| Plus de sujets relatifs à : [Topicafé] Le Véritable Espresso par l'Isométhode | |





