| |||||
| Auteur | Sujet : Silicium HFR: blabla @ Electronique |
|---|---|
calagan57 BF3 : calagan57 | Reprise du message précédent : Message édité par calagan57 le 15-01-2023 à 16:31:37 --------------- Waterbox |
Publicité | Posté le 15-01-2023 à 16:30:26 ![]() ![]() |
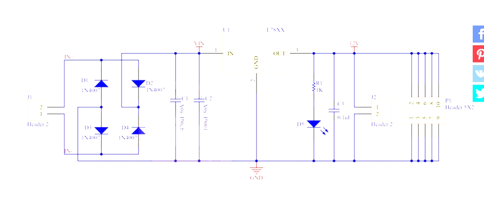
rat de combat attention rongeur méchant! | Perso je dirais regarde plutôt une doc officielle ("datasheet" -> "typical application" ) que un module lambda sur Ali. Et perso, si c'est censé durer, je ne prendrais pas mes composants là-bas mais chez un distributeur sérieux. Les capas chimiques c'est critique au niveau durée de vie et le régulateur pourrait être mauvais en ce qui concerne sa tension de sortie, la stabilité, la régulation, la durabilité, ... A toi de voir, je ne sais pas combien valent tes décos de Noel... Edit: Ce rad est trop petit si tu tires vraiment 1A sur ton 7805, car il devra dissiper 7W! Message cité 1 fois Message édité par rat de combat le 15-01-2023 à 16:36:52 --------------- Ne laissez pas mourir vos sujets en cours de route! |
TotalRecall | Bof en pratique les condos fonctionneront quasiment en DC, ils auront la vie facile. Surtout si c'est des 50V comme sur la photo. edit : par contre à ce prix là je suis plus inquiet de la provenance des régulateurs eux-même Message cité 1 fois Message édité par TotalRecall le 15-01-2023 à 16:48:49 --------------- Topic .Net - C# @ Prog |
rat de combat attention rongeur méchant! |
Si je ne me trompe pas c'est pour un mini-village de Noel dont calagan57 avait parlé je crois sur le sujet matos initialement. --------------- Ne laissez pas mourir vos sujets en cours de route! |
manisque |
--------------- Si tu bois froid juste après le potage chaud, ça va faire sauter l'émail de tes dents - Monorailcat iz ohverin |
rat de combat attention rongeur méchant! |
J'ai hésité à en parler. En effet c'est beaucoup mieux au niveau rendement, mais quand même bien plus compliqué (même si les LM2576 et Co sont faciles à utiliser). Après j'oubliais qu'il existe des modules tout fait, mais c'est pas le même prix qu'un 7805 Ali-ien... --------------- Ne laissez pas mourir vos sujets en cours de route! |
calagan57 BF3 : calagan57 | Hello!
--------------- Waterbox |
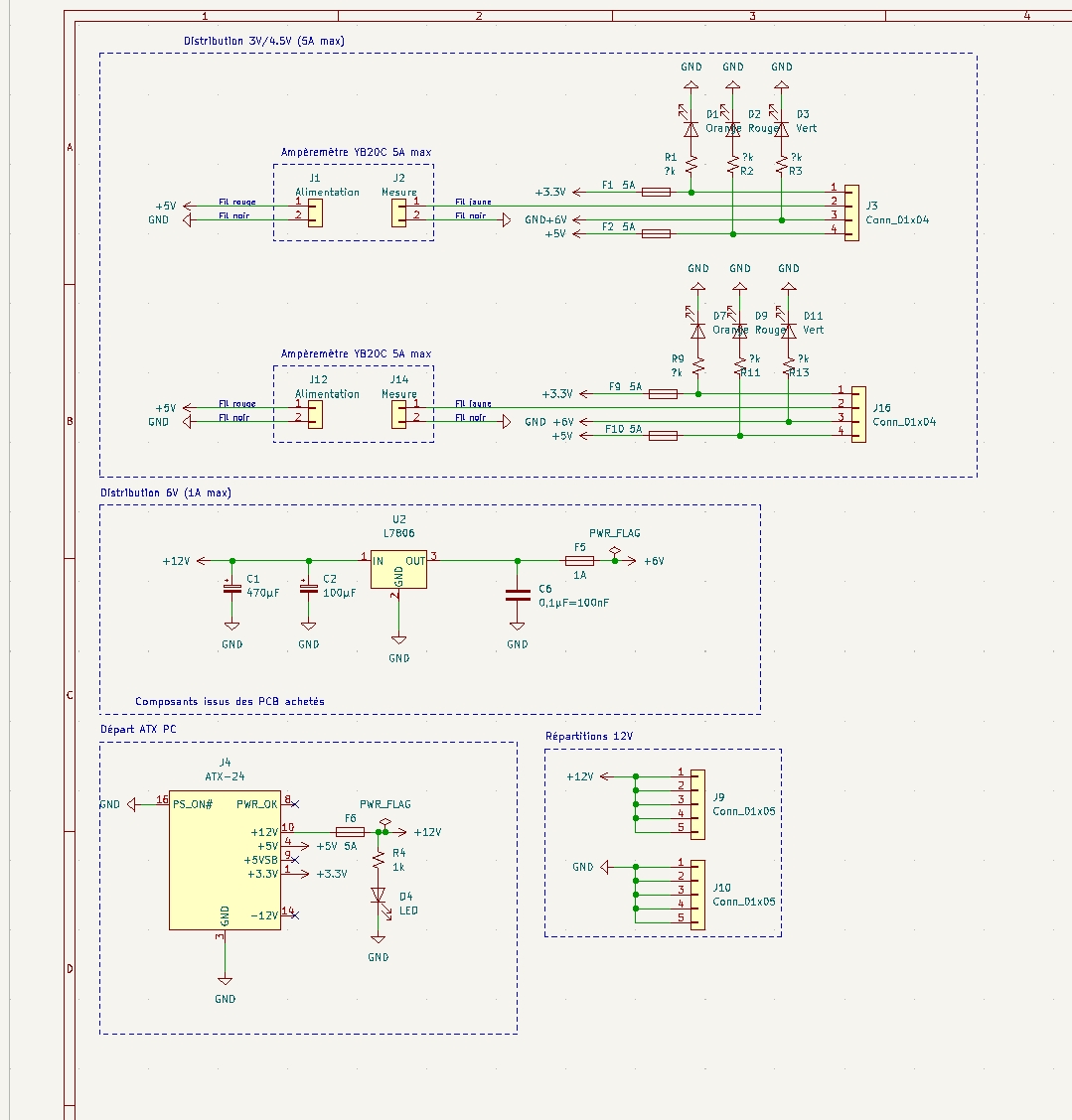
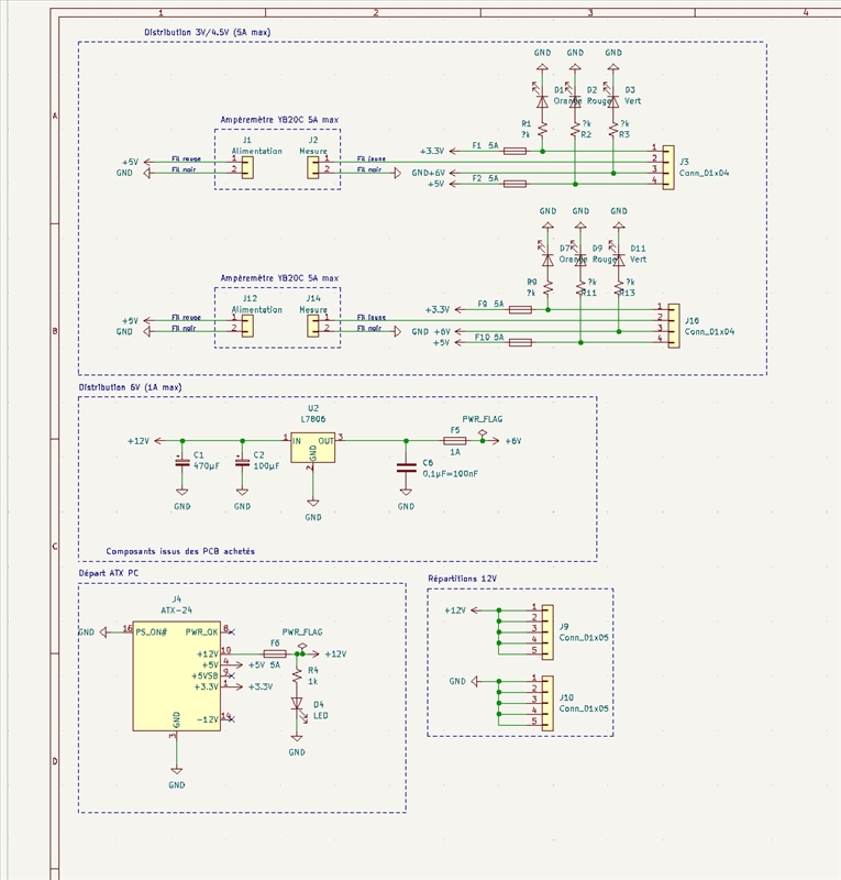
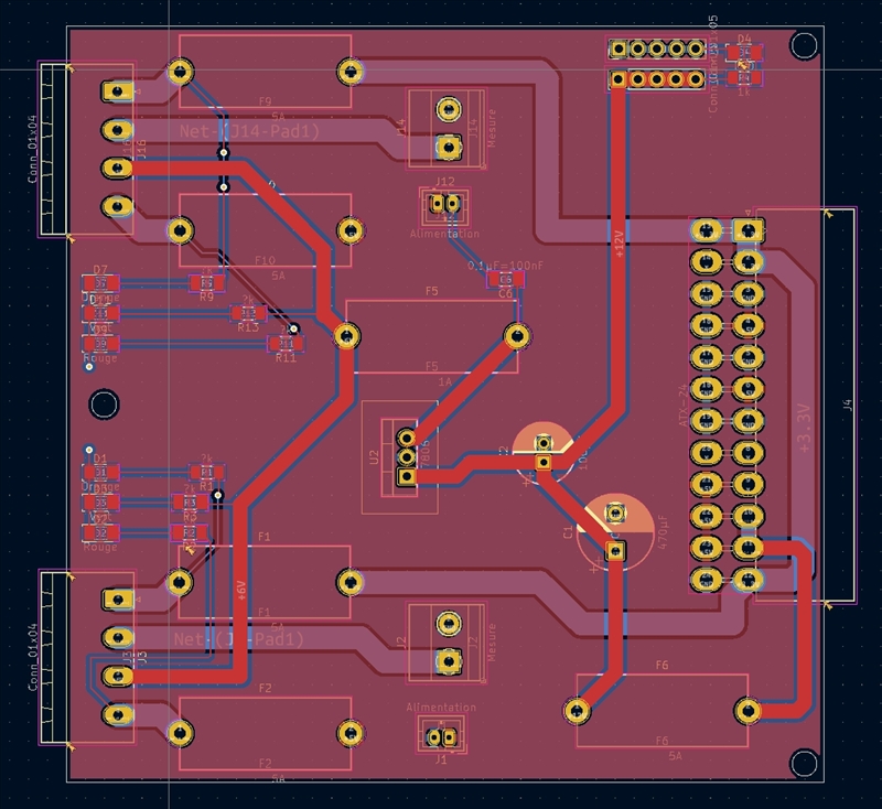
rat de combat attention rongeur méchant! | Ca ne manque pas de fusibles. EDIT: Y'a ces trucs, il en faut 2 par fusible à mettre sur le PCB avec le bon écartement. Message cité 1 fois Message édité par rat de combat le 15-01-2023 à 17:49:15 --------------- Ne laissez pas mourir vos sujets en cours de route! |
calagan57 BF3 : calagan57 |
--------------- Waterbox |
Publicité | Posté le 15-01-2023 à 17:55:26 ![]() ![]() |
404 Not Found 人の夢は!!!終わらねェ!!!! |
|
rat de combat attention rongeur méchant! | Plop --------------- Ne laissez pas mourir vos sujets en cours de route! |
Bersac | En assortiment, jamais vu. En achat individuel, tu peux certainement trouver les prises les plus courantes et les installer dans un boitier par exemple.
|
rat de combat attention rongeur méchant! | Les Thinkpad c'était un exemple de prise à la noix mais j'en ai une (récupérée sur le Tp 13 dont je donne des pièces, cf ma signature actuelle). Après les autres oui ça se trouve en individuel, mais c'est pénible, surtout qu'il faut tout trouver chez un seul vendeur et qui n'applique les fdp qu'une seule fois, sinon bonjour la facture... Si quelqu'un a une piste n'hésitez pas, après c'est pas vital non plus, mais je me dis que ça pourrait servir (j'ai déjà un assortiment de fiches pour les PC portables et autres machins). EDIT: Juste pour info, on peut trouver des assortiments de fiches nues pour réparation de PC portables, genre https://www.aliexpress.com/item/1005001464683663.html (lien pris au pif), mais c'est un peu trop (p.ex. 36 modèles différents) et trop cher... Message cité 1 fois Message édité par rat de combat le 16-01-2023 à 01:10:35 |
Aline BOQS Alsacobéquois. |
--------------- -=* Feedback de Liline *=- _._ -=* Ptit bazar à Liline *=- |
zeql_ | Oui les 50 fiches à 3€... A un moment faut peut-être arrêter de rêver. |
rat de combat attention rongeur méchant! | Non mais je ne demande pas ça justement, je demande plutôt les 5 Message cité 1 fois Message édité par rat de combat le 16-01-2023 à 16:49:52 --------------- Ne laissez pas mourir vos sujets en cours de route! |
TotalRecall | Toi qui faisait récemment de la place, je peux comprendre que t'aies pas envie de t'encombrer d'un kit de 40 fiches dont 38 qui ne vont à coup sûr jamais servir --------------- Topic .Net - C# @ Prog |
kronoob | Moi je préfère acheter un appart plus grand pour pouvoir stocker plus. --------------- Achat - Ventes/Feedback |
TotalRecall |
--------------- Topic .Net - C# @ Prog |
kronoob |
Bersac |
|
Strat_84 |
|
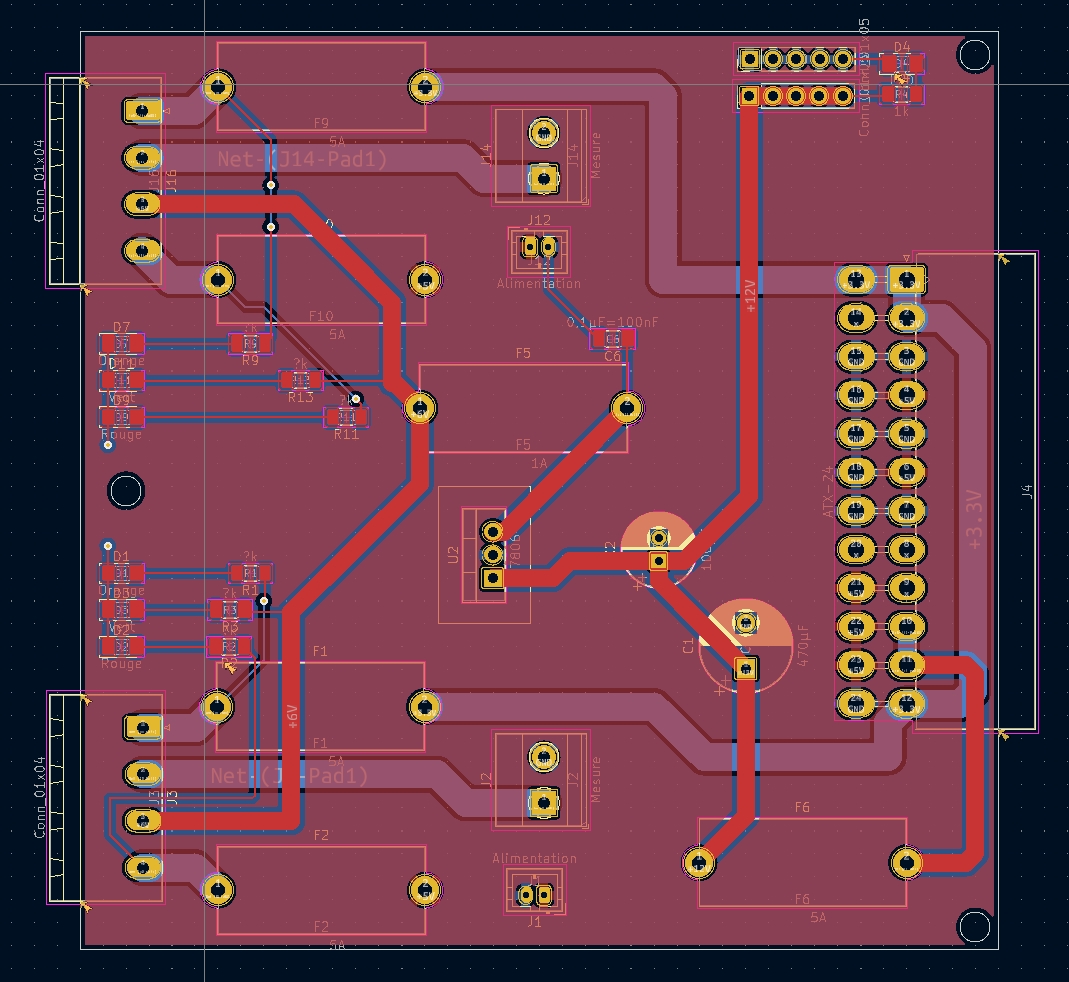
Foxus666 | Je poste ça ici car j'ai pas eu grand succès sur le topic bricolage :
Message cité 2 fois Message édité par Foxus666 le 21-01-2023 à 00:27:54 |
quentincc It's all ogre now |
Dans le cas où tu t'es très mal expliqué et que tu cherches à optimiser ta consommation en HP et HC, alors oui poser du béton sur ton radiateur te permettra de faire des économies budgétaires très infimes. (Pour info les valeurs que tu nous donnes représentent la quantité d'énergie que peut "stocker" un matériau en fonction de son volume et de la différence de température par rapport au milieu extérieur) Message édité par quentincc le 21-01-2023 à 11:27:23 --------------- Mon topic d'achat/vente :) |
froggycorp |
|
TotalRecall | Vos rappels sont bons à prendre, mais il dit bien "améliorer l'inertie thermique" donc je pense qu'il saisit le principe de "ça fabrique pas de la chaleur gratuite", mais juste la vitesse à laquelle elle est diffusée. Par exemple, un soufflant réchauffe très vite l'air ambiant grâce au brassage et à la convection immédiate, mais devient inutile à peu près 3s après avoir été éteint. Donc oui tu peux mettre des trucs autour de ton radiateur pour augmenter son inertie. Le mieux serait que tu nous expliques le but exact : allumer le radiateur 1h sur 2 mais pouvoir compter sur lui pour dissiper de la chaleur même lorsqu'il n'est pas allumé. Message cité 1 fois Message édité par TotalRecall le 21-01-2023 à 16:35:34 --------------- Topic .Net - C# @ Prog |
Aline BOQS Alsacobéquois. | --------------- -=* Feedback de Liline *=- _._ -=* Ptit bazar à Liline *=- |
Natopsi ☄️Just end it already!☄️ |
Bersac | 12 € fdpi les 200 diodes SD103A vendues en "new old stock"
Message édité par Bersac le 21-01-2023 à 22:22:31 |
froggycorp |
|
kronoob | Le seul avantage que je verrai à utiliser une brique c'est à pouvoir déplacer la source de chaleur.
--------------- Achat - Ventes/Feedback |
rat de combat attention rongeur méchant! | Pratique: Diodes' Package Outlines and Pad Layouts (diodes.com) --------------- Ne laissez pas mourir vos sujets en cours de route! |
froggycorp |
|
rat de combat attention rongeur méchant! |
Un copain/une copine? --------------- Ne laissez pas mourir vos sujets en cours de route! |
crepator4 Deus ex machina |
Anecdote ne surtout pas utiliser de pierre à la place de la brique ,certaine accumule tellement la chaleur qu'elles peuvent foutre le feu au matelas ... accessoirement c'est bibi qui s'en est occupé... plus jamais un coup pareil Message cité 1 fois Message édité par crepator4 le 23-01-2023 à 04:42:35 --------------- ...survivre à ses Medecins... |
Publicité | Posté le ![]() ![]() |

| Sujets relatifs | |
|---|---|
| Plus de sujets relatifs à : Silicium HFR: blabla @ Electronique |




