| |||||
FORUM HardWare.fr

Discussions

Auto / Moto

[TOPIKUNIK] Débuter la moto - 40 000 pages, toujours Moant| Auteur | Sujet : [TOPIKUNIK] Débuter la moto - 40 000 pages, toujours Moant |
|---|---|
Publicité | Posté le 18-11-2025 à 21:50:24 ![]() ![]() |
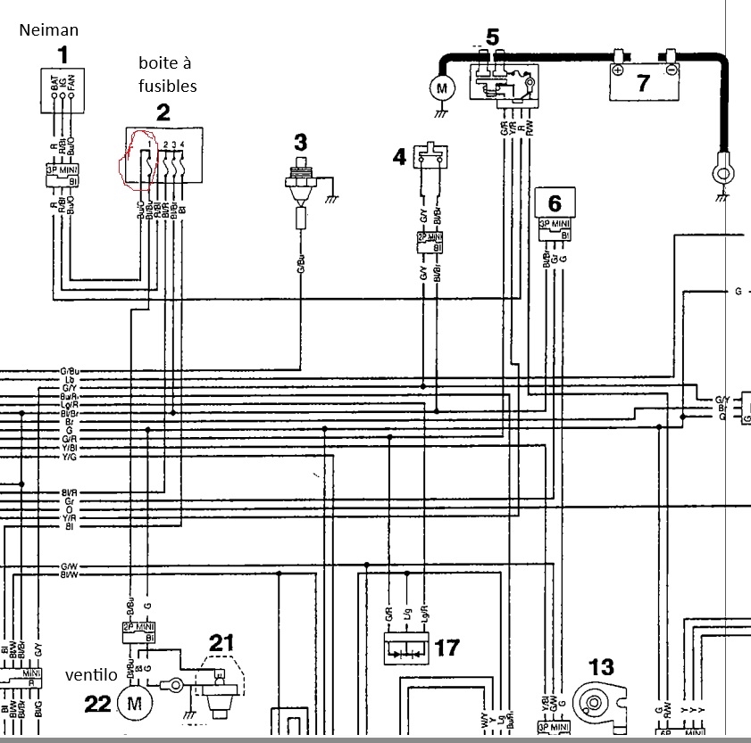
PressurE A peu PressurE de moi | Il semblerait que la position "IG" du neiman soit reprise dans la boite à fusibles Message cité 2 fois Message édité par PressurE le 18-11-2025 à 22:18:04 --------------- On est pas tellement des gens de terrain. Pas des cerveaux non plus, me faites pas dire ce que j’ai pas dit. |
bn_a_lunettes gas-shop.fr |
--------------- quand le pouce passe, tout passe (Drax le 19/05/2012) un magasin de guitares et basses qu'il est bien |
Rober_le_Perver |
--------------- Tourist Trophy : The only place for real heroe |
M600 ShitOps Engineer |
m’est d’avis que ton ressentiment est valide, c’est haut perché mais avec l’habitude c’est plus un problème. En tout cas le caractère anxieux que je pouvais avoir a disparu au bout de 6mois.
--------------- "C'est pas après avoir chier dans son froc qu'il faut serrer les fesses". F. Nietzsche. 7 octobre 1870. |
SirGallahad Girouette Pro |
--------------- Oui. Non. Peut être... |
Tonneau |
|
thibw |
|
Deadlock Feck off, cup ! |
--------------- Institutions européennes: Ensemble d'outils dont le but est de transformer une grande quantité d'argent en merde. Cette merde est utilisée pour créer de nouveaux fonctionnaires. L'argent restant payant des externes pour faire leur travail. |
PressurE A peu PressurE de moi |
Je crois que le mec avait mis sur la position veilleuse du contacteur justement --------------- On est pas tellement des gens de terrain. Pas des cerveaux non plus, me faites pas dire ce que j’ai pas dit. |
Publicité | Posté le 19-11-2025 à 10:02:52 ![]() ![]() |
SirGallahad Girouette Pro |
--------------- Oui. Non. Peut être... |
jeambo Licorne owner |
|
furiouss |
thibw |
|
TheCreator zwiiiii and then shbrouk tak | bon ben le mec d'hier n'a rien au passage ya pas une personne qui s'est arrêté, meme pas une fenetre baissée pour demander si ça va ya meme un mongole qui a klaxonné Message cité 1 fois Message édité par TheCreator le 19-11-2025 à 13:39:18 --------------- La superstition c'est comme ceux qui réparent les fauteuils, il faut que le bois qu'ils rajoutent soit à peu près comme l'autre bois sinon ça se voit trop. |
c'est_pas_ma_faute |
--------------- Y'a pas d'heure pour se faire plais' avec un couscous merguez. |
SirGallahad Girouette Pro |
--------------- Oui. Non. Peut être... |
M-V Avatar non valide |
--------------- Profil Strava |Runkeeper |
n-ico |
|
Deadlock Feck off, cup ! |
--------------- Institutions européennes: Ensemble d'outils dont le but est de transformer une grande quantité d'argent en merde. Cette merde est utilisée pour créer de nouveaux fonctionnaires. L'argent restant payant des externes pour faire leur travail. |
PPPEP |
etiandim C'est moi |
--------------- Time flies when you're a faggot. |
etiandim C'est moi |
--------------- Time flies when you're a faggot. |
nikkoneo Ready To Race ! |
Nooooon, il faut laisser au futur acheteur le choix de pneus --------------- - Toujours plus - |
M-V Avatar non valide |
--------------- Profil Strava |Runkeeper |
etiandim C'est moi | Dans le respect du code de la route bien sur --------------- Time flies when you're a faggot. |
pilef |
Le problème c'est que j'ai la Zero qui est un vrai vélo en daily. Donc à chaque fois que je prends la XR, je me farcis la phase d'accoutumance.
Mais elle n'est pas encore plus lourde la tienne ?
Alors oui mais non, les pneus sont morts et je suis dans l'illégalité si je roule avec. La prochaine fois que je la sors c'est pour l'apporter chez un bouclard pour changer les pneus :
|
nikkoneo Ready To Race ! |
Effectivement, d'ailleurs avec les températures actuelles, ce genre de pneu sur du mouillé, le TC va bien fonctionner --------------- - Toujours plus - |
Deadlock Feck off, cup ! |
Message édité par Deadlock le 19-11-2025 à 18:33:47 --------------- Institutions européennes: Ensemble d'outils dont le but est de transformer une grande quantité d'argent en merde. Cette merde est utilisée pour créer de nouveaux fonctionnaires. L'argent restant payant des externes pour faire leur travail. |
Speedball2 Si vis pacem, para bellum | Je vais potentiellement avoir une paire de Rev'it Discovery neuve à vendre (41) |
M600 ShitOps Engineer |
--------------- "C'est pas après avoir chier dans son froc qu'il faut serrer les fesses". F. Nietzsche. 7 octobre 1870. |
PressurE A peu PressurE de moi |
Ça m'est déjà arrivé, tu achètes un modèle excellent sur le papier, et finalement dès les premiers essais tu te rends compte que tu as fantasmé le truc --------------- On est pas tellement des gens de terrain. Pas des cerveaux non plus, me faites pas dire ce que j’ai pas dit. |
Harrrrg Beeeeuuuuurrrrrkkkkkk! |
|
warpighd PSN : WarPig_HD |
|
Coq ( ͡° ͜ʖ ͡°) |
--------------- You're gonna need a bigger ziptie. |
Publicité | Posté le ![]() ![]() |

FORUM HardWare.fr

Discussions

Auto / Moto

[TOPIKUNIK] Débuter la moto - 40 000 pages, toujours Moant

