| |||||
| Auteur | Sujet : Topic mécanique auto/moto - Toi aussi pimp ta twingo ! |
|---|---|
berlo dubitatif | Reprise du message précédent :
Ah mince alors, je pensais qu'en synthèse gl4/gl5 c'était prévu pour passer dans l'un ou l'autre sans se poser de questions.
Message édité par berlo le 27-07-2024 à 17:01:40 |
Publicité | Posté le 27-07-2024 à 15:23:11 ![]() ![]() |
Kara Moi je dis y bluff !!! | Ptite question climatisation. Message cité 1 fois Message édité par Kara le 29-07-2024 à 16:43:38 --------------- Négatif, je suis une mite en pullover!!! |
chaced |
Kara Moi je dis y bluff !!! |
Message édité par Kara le 29-07-2024 à 16:49:48 --------------- Négatif, je suis une mite en pullover!!! |
chaced |
Kara Moi je dis y bluff !!! |
Message cité 1 fois Message édité par Kara le 29-07-2024 à 17:03:10 --------------- Négatif, je suis une mite en pullover!!! |
yatta91 :o |
--------------- un seul n à tuning de m*rde |
Kiks |
T'as pas des caractères genre 0/O ou 1/I dans ton numéro de CI ? --------------- Topic Unique - Amazon - Mules HFR Alsace - Achats-Ventes (Hardware) - Achats-Ventes (Divers) |
Publicité | Posté le 29-07-2024 à 18:08:47 ![]() ![]() |
yatta91 :o |
--------------- un seul n à tuning de m*rde |
romneo |
Message cité 1 fois Message édité par romneo le 29-07-2024 à 19:19:36 |
Civilise | La casse est parfois importante sur ce site. Et si tu as un nom composé essayer avec tout coller. |
Kara Moi je dis y bluff !!! |
Bon, le thermomètre sort un peu n'importe quoi selon l'angle, la distance, etc.
--------------- Négatif, je suis une mite en pullover!!! |
abdoskro |
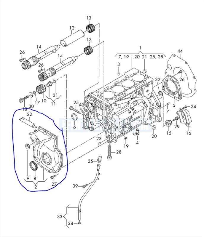
ralph14 Papa Poule Inside | Loctite 518
Merci d avance |
abdoskro |
Un début de réponse avec un deuxième collier : edit : merci pour la loctite. Je vais regarder d'autres images car je tombe sur des joints sur les sites de vente pour les mêmes moteurs... https://www.bar-tek.com/20l-tsi-gasket-timing-cover Message édité par abdoskro le 30-07-2024 à 11:57:41 |
ralph14 Papa Poule Inside | Merci je vais regarder |
romneo |
|
mirtouf Light is right ! | Bonjour,
--------------- -~- Libérez Datoune ! -~- Camarade, toi aussi rejoins le FLD pour que la flamme de la Révolution ne s'éteigne pas ! -~- A VENDRE |
Kiks |
Délinquant ! --------------- Topic Unique - Amazon - Mules HFR Alsace - Achats-Ventes (Hardware) - Achats-Ventes (Divers) |
ralph14 Papa Poule Inside | +1 loubard |
fegre Voleur professionnel |
|
big e |
|
orion | j'ai fait l'embrayage hier sur l'autoroute --------------- ACHÈTE VOS CARTES MÈRES HS, C'EST ICI : http://forum.hardware.fr/forum2.ph [...] w=0&nojs=0 |
big e |
|
romneo |
|
makinoe |
Liquide jaune fluo, mais ça n'a pas re coulé depuis du coup je ne sais pas trop ( et le vase est rempli) |
Jambonherta |
|
fegre Voleur professionnel |
le_persan |
Et dire que je pensais pouvoir remplacer celui de ma Saxo tout seul |
big e |
|
Jambonherta | Yes. Par contre si tous les 2 ans: pas normal. |
orion |
--------------- ACHÈTE VOS CARTES MÈRES HS, C'EST ICI : http://forum.hardware.fr/forum2.ph [...] w=0&nojs=0 |
manisque |
--------------- Si tu bois froid juste après le potage chaud, ça va faire sauter l'émail de tes dents - Monorailcat iz ohverin |
Wolm |
--------------- la guerre c'est quand des vieux aigris font combattre entre eux des jeunes en colère, et moi j’étais très jeune et très en colère. Niko Bellic |
chaced |
Kiks | Liquide de refroidissement plutôt, non ? --------------- Topic Unique - Amazon - Mules HFR Alsace - Achats-Ventes (Hardware) - Achats-Ventes (Divers) |
Augmented I don't sleep, I just dream | De l'huile de DA ? edit : J'ai reçu les phares TYC. Le rapport qualité/prix a l'air excellent en effet. Je vais quand même ajouter du silicone entre le bloc et le plexi, pour dire que. Message cité 1 fois Message édité par Augmented le 02-08-2024 à 12:27:23 --------------- Streets of Fire |
Publicité | Posté le ![]() ![]() |

| Sujets relatifs | |
|---|---|
| [Topic Unik]Striptease | [TOPIC UNIK] Les plus belles actrices / ! \ ADSL REQUIRED / ! \ |
| [Topic unik] VW Coccinelle | [pièce auto] prix normal ? |
| [Topic Unik] L'Audio embarquée | [TOPIC UNIK] Samedi Soir en Direct |
| Le topic de Enki Bilal! personne n'en parle sur le forum | [ Topic Unik ] - Les albums acoustiques |
| comment tester une batterie moto? | Topic reglement de comptes entre forumeurs |
| Plus de sujets relatifs à : Topic mécanique auto/moto - Toi aussi pimp ta twingo ! | |





