| |||||
FORUM HardWare.fr

Video & Son

HiFi & Home Cinema

[vintage] topic des techniques abandonnées et appareils de légende 20A| Auteur | Sujet : [vintage] topic des techniques abandonnées et appareils de légende 20A |
|---|---|
sub6tem | Reprise du message précédent :
|
Publicité | Posté le 24-10-2023 à 21:29:44 ![]() ![]() |
Marcel Pitou |
Message cité 1 fois Message édité par Marcel Pitou le 24-10-2023 à 22:59:28 |
sub6tem |
|
Marcel Pitou |
Message cité 1 fois Message édité par Marcel Pitou le 25-10-2023 à 00:39:18 |
muzah ModérateurBal Musette @ HFR depuis 1997 | Tu me recollera la petite étiquette de derrière qui se balade --------------- un instant monsieur ça-va-chier |
sub6tem |
|
[Toine] A la demande générale... |
GladiaS | Salut,
Message cité 1 fois Message édité par GladiaS le 03-11-2023 à 19:55:02 --------------- --- Gladia --- |
sub6tem |
|
GladiaS |
Oui je me doute Le tuner de la chaine est un Hitachi aussi. Il fonctionne encore assez bien, et il doit être aussi ancien que le reste (fin des 70's). En gros je pensais garder l'ampli (sony) et le tuner et virer la platine et le lecteur cassette, mais je ne sais pas bien quoi en faire entre donner en l'état ou essayer de réparer au moins l'un et le revendre pas trop cher (et donc passer des annonces etc. Bravo pour la réparation. Message cité 1 fois Message édité par GladiaS le 05-11-2023 à 17:38:08 --------------- --- Gladia --- |
Publicité | Posté le 05-11-2023 à 17:35:26 ![]() ![]() |
sub6tem |
|
sub6tem |
Message édité par sub6tem le 13-11-2023 à 11:46:55 |
loukoum IdPsn:Damrol_ |
--------------- Mon Flickr! Ma galerie |
sub6tem |
|
loukoum IdPsn:Damrol_ |
--------------- Mon Flickr! Ma galerie |
sub6tem |
Message cité 1 fois Message édité par sub6tem le 09-12-2023 à 16:23:26 |
loukoum IdPsn:Damrol_ |
--------------- Mon Flickr! Ma galerie |
sub6tem |
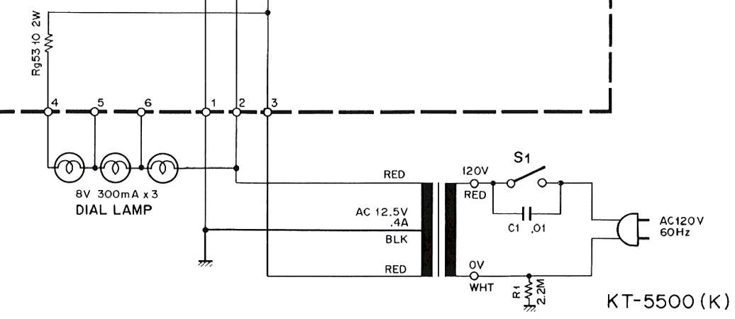
j'ai du mal à suivre.... Qu'est-ce qui fonctionne ? Si on s'en tient au schéma, le fait de shunter 9 & 12 équivaut à mettre en court-jus l'alim des lampes via R19/20 lorsque l'entrée AUX est sélectionnée (& c'est pas bon du tout !!!). Message cité 1 fois Message édité par sub6tem le 11-12-2023 à 18:17:54 |
loukoum IdPsn:Damrol_ |
--------------- Mon Flickr! Ma galerie |
sub6tem |
|
loukoum IdPsn:Damrol_ | Alors, dis moi ou je trompe stp, dans ma comprehension..
--------------- Mon Flickr! Ma galerie |
loukoum IdPsn:Damrol_ | Bon, j’ai bien fait d’insister, bien démonter la façade avant, pour un meilleur accès aux commandes.. Après 2/3 coups de kontact 60, qq allez retours du sélecteur de voie, tout remarche ! --------------- Mon Flickr! Ma galerie |
3point14 | Bonjour, |
patrick22000 | Vu le vieillissement du caoutchouc, si tu la trouves il vaut mieux changer |
sub6tem |
|
tuxyk | Bonjour tout le monde,
Message cité 2 fois Message édité par tuxyk le 31-12-2023 à 12:50:58 |
sub6tem |
|
tuxyk |
Message édité par tuxyk le 01-01-2024 à 14:15:15 |
Rambo95 |
J'ai exactement le même porte cellule sur ma Radiola J'ai réglé le problème en glissant une très fine cale sous les barrettes du porte porte cellule, pour augmenter la pression de contact avec le porte cellule. Ça fonctionne nickel. Message édité par Rambo95 le 05-01-2024 à 20:09:30 |
sub6tem |
ManuLM | Ce boulot que tu fais à chaque fois |
keke boum boum Imbécile heureux | Beau bébé, même dedans --------------- Tu aimes la nature? https://youtu.be/y1mvpuU7cus |
sub6tem |
|
keke boum boum Imbécile heureux |
3point14 | Bonjour, |
jyves93 |
|
Publicité | Posté le ![]() ![]() |

FORUM HardWare.fr

Video & Son

HiFi & Home Cinema

[vintage] topic des techniques abandonnées et appareils de légende 20A| Sujets relatifs | |
|---|---|
| Topic iTunes Music Store - IMS | Un topic Unique su les casques |
| [Topic] -- [platine dvd divx] --->>> yamada dvx 6600 <<<--- | [Topic Unique] JBL Creature II |
| [Topic Unique] PhotoToFilm v2 | [Topic] Klipsch Promedia GMX D-5.1 & D-2.1 |
| [Topic unique] Lecteur "baladeur" CD-MP3 e-bench à 49e au Lidl . | [TOPIC] Refurb Creative, Produit creative a bon prix ;) |
| [Topic Unique] Lecteur MP3 Gweilo DMP-X10 | [topic unique] Kits enceintes pc VS Amplis HC entrée de gamme MAJ |
| Plus de sujets relatifs à : [vintage] topic des techniques abandonnées et appareils de légende 20A | |


