Forum |  HardWare.fr | News | Articles | PC | S'identifier | S'inscrire | Shop Recherche
2280 connectés 

 

Sujet(s) à lire :
 

 Mot :   Pseudo :  
  Aller à la page :
 
 Page :   1  2  3  4  5  ..  314  315  316  317  318  319
Page Suivante
Auteur Sujet :

* Réparations de vos appareils électroniques & electromenager *

n°476093
kronoob
Posté le 06-10-2025 à 23:37:57  profilanswer
 

Reprise du message précédent :

timmymeow a écrit :


Et voici :jap:
https://rehost.diberie.com/Picture/Get/r/437889
J'ai RTFM avant de test mais pas d'infos sur un bip.


 
Anéfé, ton multi a l'air dépourvu de cette fonctionnalité.
Essaie avec le test de diode, des fois que ça soit une fonctionnalité combinée (c'est le cas sur un des miens), mais j'y crois moyen vu qu'il n'y a pas de marquage...


---------------
Achat - Ventes/Feedback
mood
Publicité
Posté le 06-10-2025 à 23:37:57  profilanswer
 

n°476096
nical_73
Posté le 07-10-2025 à 07:56:24  profilanswer
 

kronoob a écrit :


 
Anéfé, ton multi a l'air dépourvu de cette fonctionnalité.
Essaie avec le test de diode, des fois que ça soit une fonctionnalité combinée (c'est le cas sur un des miens), mais j'y crois moyen vu qu'il n'y a pas de marquage...


non les ZEnitch / Thomson sont les multi des GSB et ils n'ont pas de fonction de capacité (pour réduire le prix j'imagine) mais pour le reste ils sont bien

n°476105
kronoob
Posté le 07-10-2025 à 10:09:25  profilanswer
 

Ça tombe bien, ce n'était pas la question. :o


---------------
Achat - Ventes/Feedback
n°476114
nical_73
Posté le 07-10-2025 à 15:38:43  profilanswer
 

kronoob a écrit :

Ça tombe bien, ce n'était pas la question. :o


 
j'ai répondu que c'était pas combiné  :o  :o  :o  :o  pu*** vous me saoulez avec le redface

n°476130
TotalRecal​l
Modérateur
Posté le 07-10-2025 à 17:37:28  profilanswer
 

C'était quand même pas la question :o :o :o :o :o :o :o :o


---------------
Topic .Net - C# @ Prog
n°476133
rat de com​bat
attention rongeur méchant!
Posté le 07-10-2025 à 17:50:06  profilanswer
 

crazytiti a écrit :

J'ai la station à air chaud mais ça me paraissait un peu bourrin, ce serait quoi le bon réglage, 200-250 °c ?
Comment font les réparateurs de téléphone ?

Aucune idée :o , mais si quelqu'un a la réponse...


---------------
Ne laissez pas mourir vos sujets en cours de route!
n°476135
quentincc
It's all ogre now
Posté le 07-10-2025 à 18:10:04  profilanswer
 

Les réparateurs de téléphone utilisent une plaque chauffante réglable en température jusqu'à 90c pour ramollir la colle.
+ Les bons outils et de l'isopropanol au besoin


---------------
Mon topic d'achat/vente :)
n°476136
rat de com​bat
attention rongeur méchant!
Posté le 07-10-2025 à 18:35:03  profilanswer
 

:jap:


---------------
Ne laissez pas mourir vos sujets en cours de route!
n°476137
kronoob
Posté le 07-10-2025 à 18:52:05  profilanswer
 

nical_73 a écrit :


 
j'ai répondu que c'était pas combiné  :o  :o  :o  :o  pu*** vous me saoulez avec le redface


 
Ben tu dis qu'ils n'ont pas de mesure de capacité alors qu'il était question de détection de continuité.
Donc bon...


---------------
Achat - Ventes/Feedback
n°476147
froggycorp
Posté le 07-10-2025 à 22:21:48  profilanswer
 

crazytiti a écrit :


 
J'ai la station à air chaud mais ça me paraissait un peu bourrin, ce serait quoi le bon réglage, 200-250 °c ?
Comment font les réparateurs de téléphone ?


 
Quand j'ai fait le miens, j'ai souvenir que la colle redevient liquide à 70°C, donc 100°C ce sera déjà pas mal

mood
Publicité
Posté le 07-10-2025 à 22:21:48  profilanswer
 

n°476150
timmymeow
Timmy!
Posté le 07-10-2025 à 22:46:45  profilanswer
 

rat de combat a écrit :

Teste le commutateur qui choisit la vitesse à l'ohmmètre. Je suppose qu'il y a une broche commune reliée à tour de rôle à une des autres broches selon le réglage.


C'est bien ça le fonctionnement :jap: En revanche, le moteur ne se lance pas peu importe la position.
 
J'ai aux alentours de 2 ohms sur chacune des positions activée :jap:
 

TotalRecall a écrit :


Effectivement, on avait tous compris que ça marchait sur pile mais pas sur secteur, d'où la suggestion du switch intégré à la prise jack.
T'es encore un peu ambigu : il s'est éteint en plein fonctionnement ou a juste décidé de ne plus fonctionner entre deux utilisations ? Je penche pour la 2e interprétation mais autant clarifier et ne pas perdre à nouveau du temps.
 
Là sans mesures spécifiques à différents points ça va être plus compliqué.
Tu peux suivre le conseil de rat de combat, ainsi que tester le moteur et son alimentation, mais à un moment je pense qu'il faudra mettre le truc dans les mains de quelqu'un d'un peu compétent parce que là ça risque de tourner en rond longtemps.

Difficile à dire comment il s'est éteint car utilisé non stop et dans un placard fermé. Mais je penche aussi pour la seconde.
 

kronoob a écrit :


 
Anéfé, ton multi a l'air dépourvu de cette fonctionnalité.
Essaie avec le test de diode, des fois que ça soit une fonctionnalité combinée (c'est le cas sur un des miens), mais j'y crois moyen vu qu'il n'y a pas de marquage...


Pas de fonctionnalité combinée hélas !

n°476151
crazytiti
http://crazytiti.free.fr/
Posté le 07-10-2025 à 22:50:09  profilanswer
 

quentincc a écrit :

Les réparateurs de téléphone utilisent une plaque chauffante réglable en température jusqu'à 90c pour ramollir la colle.
+ Les bons outils et de l'isopropanol au besoin


 

froggycorp a écrit :


 
Quand j'ai fait le miens, j'ai souvenir que la colle redevient liquide à 70°C, donc 100°C ce sera déjà pas mal


 
 :jap:  
 
Pour le moment j'espère surtout que le nouvel écran va arriver avec des bandes adhésives de la bonne taille.
J'aimerais rétablir la fonctionnalité étanche de ce téléphone, je m'en sert 2 fois par ans mais c'est rigolo et c'est en partie pour ça que j'avais pris ce model :bounce:


---------------
Le PC est une drogue... Téléchargez mes modèles 3D pour que j'ai du filament gratuit :-D https://www.printables.com/fr/@Crazytiti_1456354
n°476160
quentincc
It's all ogre now
Posté le 08-10-2025 à 08:51:11  profilanswer
 

Du moment qu'il a été ouvert c'est mort, pareil s'il commence à avoir quelques années sur certains modèles :(


---------------
Mon topic d'achat/vente :)
n°476164
froggycorp
Posté le 08-10-2025 à 08:58:03  profilanswer
 

Avec la colle (T90 ?)  et un remontage bien fait cela doit passer. Le miens ne l'ai plus du tout après démontage, mais c'est pas grave :D

n°476170
crazytiti
http://crazytiti.free.fr/
Posté le 08-10-2025 à 10:16:08  profilanswer
 

honnetement vu comment il est fait je ne pense pas que ce soit trop dur de le refermer étanche.
faut que je mette une pointe de silicone autour du bouton power, car j'ai du arracher celui présent quand je l'ai changé, et pour l'écran il y a une large surface de contact tout autour (ce n'est pas du tout un écran sans bord)


---------------
Le PC est une drogue... Téléchargez mes modèles 3D pour que j'ai du filament gratuit :-D https://www.printables.com/fr/@Crazytiti_1456354
n°476172
nical_73
Posté le 08-10-2025 à 10:28:44  profilanswer
 

kronoob a écrit :

Ça tombe bien, ce n'était pas la question. :o


 

TotalRecall a écrit :

C'était quand même pas la question :o :o :o :o :o :o :o :o


 

kronoob a écrit :


 
Ben tu dis qu'ils n'ont pas de mesure de capacité alors qu'il était question de détection de continuité.
Donc bon...


 
au temps pour moi !   [:pascom:1] (bravo, pas de redface sur ton dernier message)

n°476243
jluc2808
peu le savent et vous ?
Posté le 09-10-2025 à 10:42:22  profilanswer
 

bonjour , j'ai un ampli yamaha rx-a840 qui a donné quelques signes de fatigues (écran principal qui s'éteint après quelques secondes), puis plus d'allumage du tout y compris la veilleuse.  
 
j'ai déconnecté le transfo principal via le connecteur sur la carte d'alimentation et je retrouve la veilleuse, bien entendu sans rien sur l'écran.
 
test du fusible:  OK  
bornes du connecteur de l'alimentation :  240v
 
lorsque je vais sur les site de composant pour cet ampli j'ai 2 cibles :  
https://fixpart.fr/produit/transfor [...] pl=1826385
ou  
https://fixpart.fr/produit/transfor [...] pl=1826385
 
je me demande comment je peux tester si ce sont bien ces composants qui posent problèmes  
 
merci d'avance  
 
 

n°476245
crazytiti
http://crazytiti.free.fr/
Posté le 09-10-2025 à 11:11:44  profilanswer
 

Salut,
C'est très rare qu'un transfo soit HS.
C'est rigolo je viens justement de prendre en charge un ampli rx-v457
Symptome : ne s'allume plus
Je ne l'ai pas encore ouvert mais j'ai trouvé le cr d'un gars qui a réparé le même souci : il y a le condo d'une alim capacitive qui gère l'allumage qui vieillit.
C'est un classique.
Bref, je te conseil d'affiner ta recherche de panne avant de commander un transfo.
cf https://tomtomblog.wordpress.com/20 [...] rt-vivant/

 

Commence par chercher le service manual de l'ampli.

Message cité 1 fois
Message édité par crazytiti le 09-10-2025 à 11:12:37

---------------
Le PC est une drogue... Téléchargez mes modèles 3D pour que j'ai du filament gratuit :-D https://www.printables.com/fr/@Crazytiti_1456354
n°476254
jluc2808
peu le savent et vous ?
Posté le 09-10-2025 à 13:04:39  profilanswer
 

crazytiti a écrit :

Salut,
C'est très rare qu'un transfo soit HS.
C'est rigolo je viens justement de prendre en charge un ampli rx-v457
Symptome : ne s'allume plus
Je ne l'ai pas encore ouvert mais j'ai trouvé le cr d'un gars qui a réparé le même souci : il y a le condo d'une alim capacitive qui gère l'allumage qui vieillit.
C'est un classique.
Bref, je te conseil d'affiner ta recherche de panne avant de commander un transfo.
cf https://tomtomblog.wordpress.com/20 [...] rt-vivant/
 
Commence par chercher le service manual de l'ampli.


j'ai cherché le service manual de mon ampli j'ai trouvé que celui du RX-A830 qui semble s'en rapprocher  
maintenant je ne sais pas trop quoi chercher j'ai des photos de la carte, si tu peux me guider  
ci-joint les images de la carte :  
http://www.reflexequilibre.fr/download/img_carte_yamaha_1.jpg
http://www.reflexequilibre.fr/download/img_carte_yamaha_2.jpg
http://www.reflexequilibre.fr/download/img_carte_yamaha_3.jpg
http://www.reflexequilibre.fr/download/img_carte_yamaha_4.jpg
http://www.reflexequilibre.fr/download/img_carte_yamaha_5.jpg
http://www.reflexequilibre.fr/download/img_carte_yamaha_6.jpg

n°476256
crazytiti
http://crazytiti.free.fr/
Posté le 09-10-2025 à 13:46:54  profilanswer
 

Si je résume les symptômes, ya l'écran so déconne mais surtout maintenant il ne s'allume plus du tout ?


---------------
Le PC est une drogue... Téléchargez mes modèles 3D pour que j'ai du filament gratuit :-D https://www.printables.com/fr/@Crazytiti_1456354
n°476257
crazytiti
http://crazytiti.free.fr/
Posté le 09-10-2025 à 13:53:25  profilanswer
 

Faudrait que je regarde le schéma, tu as le lien du PDF ?
Sinon ce truc c'est un fusible aussi ? il est bon ?
 
Nb : tu respecte les consignes de sécurité ?  
Débrancher, attendre plusieurs minutes, éventuellement vérifier avec un multimetre la tension au bornes des condensateurs qui sont susceptibles d'avoir du 220...
 
https://rehost.diberie.com/Picture/Get/f/438530


---------------
Le PC est une drogue... Téléchargez mes modèles 3D pour que j'ai du filament gratuit :-D https://www.printables.com/fr/@Crazytiti_1456354
n°476262
jluc2808
peu le savent et vous ?
Posté le 09-10-2025 à 15:10:12  profilanswer
 

crazytiti a écrit :

Faudrait que je regarde le schéma, tu as le lien du PDF ?
Sinon ce truc c'est un fusible aussi ? il est bon ?

 

Nb : tu respecte les consignes de sécurité ?
Débrancher, attendre plusieurs minutes, éventuellement vérifier avec un multimetre la tension au bornes des condensateurs qui sont susceptibles d'avoir du 220...

 

https://rehost.diberie.com/Picture/Get/f/438530


le fusible est bon , oui pour le respect des consignes de sécurité (fils d'alimentation débranché, temps de décharge des condos, pas de tensions aux bornes du connecteur de branchement de l'alim interne.)

 

juste un point je ne sais pas ci je dois forcer pour déconnecter les nappes sur la carte, mais en tirant dessus elle ne se détachent pas, il y a peut être des encoches à déclipser que je n'ai pas trouvé.

 

PS : le schéma que j'ai trouvé est celui du RX-830 pas du 840
https://elektrotanya.com/yamaha_rx- [...] ad.html#dl

 


Message édité par jluc2808 le 09-10-2025 à 15:11:15
n°476270
crazytiti
http://crazytiti.free.fr/
Posté le 09-10-2025 à 16:17:28  profilanswer
 

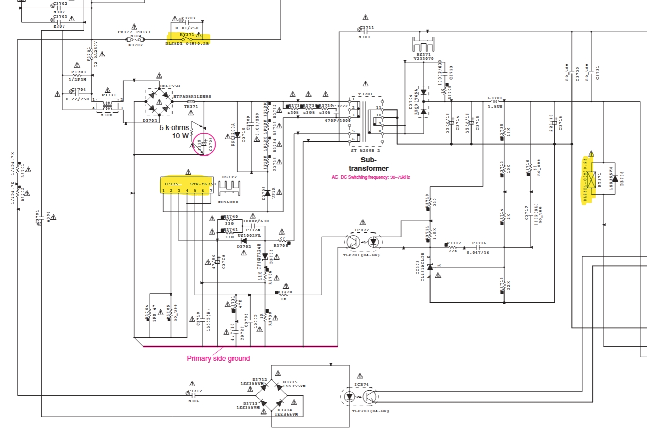
j'ai repéré le relais qui bascule de la veille à l'allumage, ainsi que le CI STR-Y6753 qui contrôle ça.
Faudrait regarder dans la doc de ce CI comment il fonctionne pour voir ce qui en vas plus.
https://rehost.diberie.com/Picture/Get/f/438594


---------------
Le PC est une drogue... Téléchargez mes modèles 3D pour que j'ai du filament gratuit :-D https://www.printables.com/fr/@Crazytiti_1456354
n°476286
crazytiti
http://crazytiti.free.fr/
Posté le 09-10-2025 à 20:26:27  profilanswer
 

J'ai ouvert l'ampli, j'ai cherché le condo indiqué par le gars, je le dessoude, je le mesure : 4.1nF
Dessus il est noté 223K donc 22000pF soit 22nF
Bref je farfouille dans mes machins, impossible de trouver plus petit que 0.1µF donc 100nF
Je tente => ça fonctionne.
Maintenant que je sais que l'ampli marche je vais commander le bon condo :jap:


---------------
Le PC est une drogue... Téléchargez mes modèles 3D pour que j'ai du filament gratuit :-D https://www.printables.com/fr/@Crazytiti_1456354
n°476287
rat de com​bat
attention rongeur méchant!
Posté le 09-10-2025 à 20:31:36  profilanswer
 

jluc2808 a écrit :

bonjour , j'ai un ampli yamaha rx-a840 ......

Comme indiqué, il est rare que les transformateurs posent problème. Par contre c'est une alimentation à découpage, c'est pas du tout la même chose (au niveau complexité, dépannage, dangers, ...) qu'une alim avec un transformateur 50Hz. Tu en es conscient?
 
Comme disais crazytiti, fais une recherche déjà sur internet si il y a des pannes "classiques".
 
Et je préfère le redire: DANGER: Les alims à découpage ont un grand condensateur qui reste chargé (et dont la charge peut être mortelle en cas d'électrocution) même après avoir débranché. Donc toujours ATTENDRE quelque minutes après avoir débranché!


---------------
Ne laissez pas mourir vos sujets en cours de route!
n°476289
crazytiti
http://crazytiti.free.fr/
Posté le 09-10-2025 à 20:34:50  profilanswer
 

Et ne pas foutre ses doigts n'importe où sans réfléchir :lol:


---------------
Le PC est une drogue... Téléchargez mes modèles 3D pour que j'ai du filament gratuit :-D https://www.printables.com/fr/@Crazytiti_1456354
n°476291
rat de com​bat
attention rongeur méchant!
Posté le 09-10-2025 à 20:38:39  profilanswer
 

crazytiti a écrit :

Et ne pas foutre ses doigts n'importe où sans réfléchir :lol:

Ca c'est vrai avec les gens aussi...
 
Pardon. :o :o
 
Sérieusement, bien sûr, mais en manipulant un PCB on a vite fait de toucher "là où il faut pas"...


---------------
Ne laissez pas mourir vos sujets en cours de route!
n°476303
timmymeow
Timmy!
Posté le 09-10-2025 à 22:47:41  profilanswer
 

timmymeow a écrit :


C'est bien ça le fonctionnement :jap: En revanche, le moteur ne se lance pas peu importe la position.
 
J'ai aux alentours de 2 ohms sur chacune des positions activée :jap:
 


 

timmymeow a écrit :

Difficile à dire comment il s'est éteint car utilisé non stop et dans un placard fermé. Mais je penche aussi pour la seconde.
 


 

timmymeow a écrit :


Pas de fonctionnalité combinée hélas !


J'ai refait un test en branchant secteur et en bougeant les nappes et prises, idem avec les piles et rien... Je ne vois pas non plus de défaut à l'oeil nu sur la carte :sweat:

n°476308
sub6tem
Posté le 09-10-2025 à 23:28:10  profilanswer
 

timmymeow a écrit :


J'ai refait un test en branchant secteur et en bougeant les nappes et prises, idem avec les piles et rien... Je ne vois pas non plus de défaut à l'oeil nu sur la carte :sweat:


Si moteur & alim ok, on trouve aussi des pcb qui feront (peut-être ?) le job pour pas trop cher...
 
ex: https://fr.aliexpress.com/item/4000986659720.html
 
Sinon, tu peux toujours tenter de remplacer l'unique elco présent sur la carte, ça mange pas de pain...

Message cité 1 fois
Message édité par sub6tem le 09-10-2025 à 23:34:06
n°476309
jluc2808
peu le savent et vous ?
Posté le 09-10-2025 à 23:46:02  profilanswer
 

crazytiti a écrit :

j'ai repéré le relais qui bascule de la veille à l'allumage, ainsi que le CI STR-Y6753 qui contrôle ça.
Faudrait regarder dans la doc de ce CI comment il fonctionne pour voir ce qui en vas plus.
https://rehost.diberie.com/Picture/Get/f/438594


ok je vois le schéma mais concrètement ça représente quoi sur la carte, parce que je ne trouve pas le condo qui est listé dans le tuto ?  

n°476310
timmymeow
Timmy!
Posté le 10-10-2025 à 00:18:00  profilanswer
 

sub6tem a écrit :


Si moteur & alim ok, on trouve aussi des pcb qui feront (peut-être ?) le job pour pas trop cher...

 

ex: https://fr.aliexpress.com/item/4000986659720.html

 

Sinon, tu peux toujours tenter de remplacer l'unique elco présent sur la carte, ça mange pas de pain...


Ah mais ouais [:klivan:1] Je suis pas très Ali mais dans ce cas précis si ça peut sauver du matos à peu de frais...

 

Par contre désolé, elco je l'ai pas  :ange:

n°476311
rat de com​bat
attention rongeur méchant!
Posté le 10-10-2025 à 00:38:24  profilanswer
 

jluc2808 a écrit :

ok je vois le schéma mais concrètement ça représente quoi sur la carte, parce que je ne trouve pas le condo qui est listé dans le tuto ?  

Je pense que toi et crazytiti n'ont pas le même appareil sous les yeux / sur la table... Recherche pour ton modèle déjà, si il y a une panne courante tu nous donnes le lien et on te dira comment reconnaître le composant.
 
Tu as vu mon message plus haut?


---------------
Ne laissez pas mourir vos sujets en cours de route!
n°476312
rat de com​bat
attention rongeur méchant!
Posté le 10-10-2025 à 00:40:40  profilanswer
 

timmymeow a écrit :

Par contre désolé, elco je l'ai pas  :ange:

condensateur électrolytique, le truc en forme de cylindre. :o  
 
J'ai pas revérifié les images vu l'heure, mais y'a pas d'inscription sur le circuit intégré non? Et sur les 4(?) transistors? Faudrait faire un peu de reverse pour comprendre comment c'est fichu et ensuite mesurer. Mais si c'est le CI qui est HS comme on ne sait pas ce que c'est...  
 
(J'ai pas cliqué sur le lien Ali.)


---------------
Ne laissez pas mourir vos sujets en cours de route!
mood
Publicité
Posté le   profilanswer
 

 Page :   1  2  3  4  5  ..  314  315  316  317  318  319
Page Suivante

Aller à :
Ajouter une réponse
 

Sujets relatifs
Plus de sujets relatifs à : * Réparations de vos appareils électroniques & electromenager *


Copyright © 1997-2025 Groupe LDLC (Signaler un contenu illicite / Données personnelles)