| |||||
FORUM HardWare.fr

Video & Son

HiFi & Home Cinema

[vintage] topic des techniques abandonnées et appareils de légende 20A| Auteur | Sujet : [vintage] topic des techniques abandonnées et appareils de légende 20A |
|---|---|
sub6tem | Reprise du message précédent : |
Publicité | Posté le 02-01-2025 à 10:04:38 ![]() ![]() |
loukoum IdPsn:Damrol_ |
--------------- Mon Flickr! Ma galerie |
Electrocut |
Message édité par Electrocut le 05-01-2025 à 11:40:31 |
muzah ModérateurBal Musette @ HFR depuis 1997 | Un livre blanc ce sont des conseils, pas un décret. --------------- un instant monsieur ça-va-chier |
sub6tem | Tant mieux si rien n'est acté (malgré ce que relayent certains sites |
loukoum IdPsn:Damrol_ | Salut !
--------------- Mon Flickr! Ma galerie |
sub6tem |
Message cité 1 fois Message édité par sub6tem le 18-01-2025 à 11:13:36 |
loukoum IdPsn:Damrol_ |
En fait, ce qui me fait pencher pour ue "rupture" de la piste du potar, c'est que le son "arrive" sur l'enceinte de gauche, normalement, une fois atteint un certain point dans la rotation de celui-ci, et ensuite, tout est normal.. edit: oui, j'ai deja eu un (voire des, je me souviens plus) pioneer 520 /510, mais jusqu'a mainteant, un simple coup de bombe contact réglait mes soucis :-) Message édité par loukoum le 18-01-2025 à 13:16:05 --------------- Mon Flickr! Ma galerie |
sub6tem | Pour en avoir le cœur net, un coup de multimètre (résistance Kohm) entre les extrémités & le curseur en faisant varier la position:
|
Publicité | Posté le 18-01-2025 à 13:27:35 ![]() ![]() |
sub6tem |
Message édité par sub6tem le 23-01-2025 à 19:16:21 |
keke boum boum Imbécile heureux | On prend avec plaisir komeme. Merci pour le partage. --------------- Tu aimes la nature? https://youtu.be/y1mvpuU7cus |
muzah ModérateurBal Musette @ HFR depuis 1997 | Bien joué --------------- un instant monsieur ça-va-chier |
Rambo95 | Hello, je suis a la recherche d'un tuner FM.
Message cité 2 fois Message édité par Rambo95 le 14-02-2025 à 20:11:50 |
sub6tem |
Message cité 1 fois Message édité par sub6tem le 14-02-2025 à 22:39:50 |
loukoum IdPsn:Damrol_ |
--------------- Mon Flickr! Ma galerie |
Marcel Pitou |
Message édité par Marcel Pitou le 15-02-2025 à 19:36:47 |
Marcel Pitou |
Message cité 2 fois Message édité par Marcel Pitou le 15-02-2025 à 20:04:40 |
Morgan35 |
|
loukoum IdPsn:Damrol_ | Je crosspost ici et sur le topic de reparation electronique --------------- Mon Flickr! Ma galerie |
Marcel Pitou |
Message cité 1 fois Message édité par Marcel Pitou le 16-02-2025 à 23:59:25 |
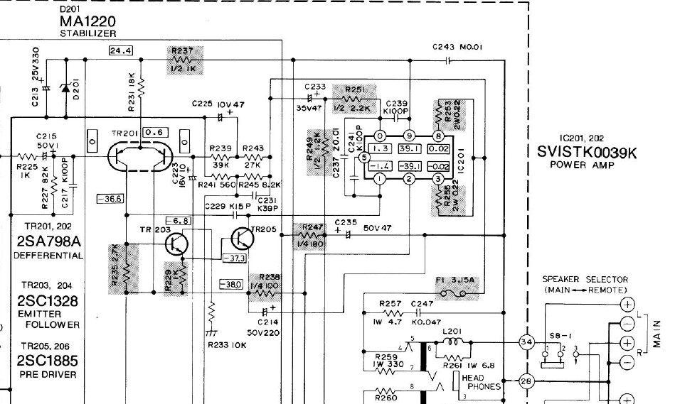
loukoum IdPsn:Damrol_ | merci pour ca, je vais deja essayer de retrouver le schéma de l'ampli ^^ --------------- Mon Flickr! Ma galerie |
sub6tem |
|
loukoum IdPsn:Damrol_ |
--------------- Mon Flickr! Ma galerie |
ManuLM |
Oui clairement, 35V en DC, une belle et rapide solution pour flinguer des HP... |
[Toine] A la demande générale... |
--------------- mes ventes : http://forum.hardware.fr/hfr/Achat [...] 0413_1.htm . |
loukoum IdPsn:Damrol_ | en fait, non, j'ai bien mesuré 35v, (et 250 mV sur l'autre voie donc pas d'erreur), mais l'hp n'a rien, j'imagine donc qu'il n'y a aucune intensité .. --------------- Mon Flickr! Ma galerie |
ManuLM | Ca pourrait bien être la tension d'alimentation du bloc d'amplification STK, ce qui indiquerait que ce dernier est hs... Il me semble que sub6tem m'avait dit que ce sont des blocs fragiles et un peu coûteux a remplacer. Message cité 1 fois Message édité par ManuLM le 18-02-2025 à 16:04:00 |
sub6tem |
|
Marcel Pitou |
[Toine] A la demande générale... |
En revanche si tu as 35V à vide c'est autre chose, il faut mesurer la tension enceinte branchée... mais vite avant que ça ne crame A R donné, si il n'y a pas pas d'intensité, y a pas de tension non plus. Message édité par [Toine] le 18-02-2025 à 19:29:41 --------------- mes ventes : http://forum.hardware.fr/hfr/Achat [...] 0413_1.htm . |
Rambo95 |
|
ManuLM |
|
loukoum IdPsn:Damrol_ |
Le fer a soudé dessoudé Message cité 1 fois Message édité par loukoum le 20-02-2025 à 13:56:03 --------------- Mon Flickr! Ma galerie |
harrypotdefleur I blue myself |
|
sub6tem |
|
muzah ModérateurBal Musette @ HFR depuis 1997 |
--------------- un instant monsieur ça-va-chier |
loukoum IdPsn:Damrol_ | en attendant d'avancer sur les STK, j'avais un changement de potar (mon 1er --------------- Mon Flickr! Ma galerie |
Rambo95 |
Message cité 2 fois Message édité par Rambo95 le 20-02-2025 à 18:57:54 |
muzah ModérateurBal Musette @ HFR depuis 1997 |
--------------- un instant monsieur ça-va-chier |
Publicité | Posté le ![]() ![]() |

FORUM HardWare.fr

Video & Son

HiFi & Home Cinema

[vintage] topic des techniques abandonnées et appareils de légende 20A| Sujets relatifs | |
|---|---|
| Topic iTunes Music Store - IMS | Un topic Unique su les casques |
| [Topic] -- [platine dvd divx] --->>> yamada dvx 6600 <<<--- | [Topic Unique] JBL Creature II |
| [Topic Unique] PhotoToFilm v2 | [Topic] Klipsch Promedia GMX D-5.1 & D-2.1 |
| [Topic unique] Lecteur "baladeur" CD-MP3 e-bench à 49e au Lidl . | [TOPIC] Refurb Creative, Produit creative a bon prix ;) |
| [Topic Unique] Lecteur MP3 Gweilo DMP-X10 | [topic unique] Kits enceintes pc VS Amplis HC entrée de gamme MAJ |
| Plus de sujets relatifs à : [vintage] topic des techniques abandonnées et appareils de légende 20A | |


