| |||||
FORUM HardWare.fr

Electronique, domotique, DIY

Conception, dépannage, mods

* Réparations de vos appareils électroniques & electromenager *| Auteur | Sujet : * Réparations de vos appareils électroniques & electromenager * |
|---|---|
crazytiti http://crazytiti.free.fr/ | Reprise du message précédent : Message cité 1 fois Message édité par crazytiti le 10-10-2025 à 13:18:55 --------------- Le PC est une drogue... Téléchargez mes modèles 3D pour que j'ai du filament gratuit :-D https://www.printables.com/fr/@Crazytiti_1456354 |
Publicité | Posté le 10-10-2025 à 13:17:35 ![]() ![]() |
jluc2808 peu le savent et vous ? |
d'après la doc c'est un UR867470 - C. EL - 47uF 50V Message cité 1 fois Message édité par jluc2808 le 10-10-2025 à 14:41:36 |
jluc2808 peu le savent et vous ? |
|
crazytiti http://crazytiti.free.fr/ |
--------------- Le PC est une drogue... Téléchargez mes modèles 3D pour que j'ai du filament gratuit :-D https://www.printables.com/fr/@Crazytiti_1456354 |
sub6tem |
C'est juste la gueule de la nappe qui m'interpelle, (je m'attendais à trouver un truc avec des pistes étamées En plus, ça m'emmerde presque d'intervenir sur ce LCD puisque quelqu'un est semble-t-il déjà passé dessus (l'écran fonctionne nickel...), mais a malencontreusement merdé quelque part avec une tache au niveau de l'indicateur de maintenance. Pour la béhème (523i m52tu), c'était celle d'un proche disparu l'an dernier d'une longue maladie
perdu je suis... Message cité 1 fois Message édité par sub6tem le 10-10-2025 à 16:24:37 |
crazytiti http://crazytiti.free.fr/ | Mes condoléances...
Message édité par crazytiti le 10-10-2025 à 16:30:42 --------------- Le PC est une drogue... Téléchargez mes modèles 3D pour que j'ai du filament gratuit :-D https://www.printables.com/fr/@Crazytiti_1456354 |
MasterGone |
|
rat de combat attention rongeur méchant! |
Y1 et Y2 == SS8050 (NPN) et SS8550 (PNP) (comme indiqué sur le PCB --------------- Ne laissez pas mourir vos sujets en cours de route! |
rat de combat attention rongeur méchant! |
Merci pour le retour. Les condensateurs, toujours le grand classique. --------------- Ne laissez pas mourir vos sujets en cours de route! |
Publicité | Posté le 10-10-2025 à 18:00:08 ![]() ![]() |
crazytiti http://crazytiti.free.fr/ | Oui, au final c'est cool, on répare facilement dans ces cas --------------- Le PC est une drogue... Téléchargez mes modèles 3D pour que j'ai du filament gratuit :-D https://www.printables.com/fr/@Crazytiti_1456354 |
Natopsi ☄️Just end it already!☄️ |
TotalRecall Modérateur | C'est clair. Et vu le prix des matières premières qui explosent, notamment du côté des métaux rares et terres rares dont certains ont fait x3 en 10 ans et d'autres +50% rien que cette année entre leur raréfaction et les guerres, il serait vraiment temps qu'on apprenne à s'en passer ou à les recycler un peu mieux avant d'avoir bousillé complètement la planète --------------- Topic .Net - C# @ Prog |
froggycorp |
Moui, qu'il y ait eu, ait ou qu'il y aura, peut etre. Néanmoins l'achat compulsif sur des produits mal fait et peu cher est bien plus rentable. Et pour l'IA, cela reste l'équivalent du boom de l'informatique des années 2000 et quand cela va se péter la gueule, cela va pleurer dans un paquet de chaumière. Il y a quand même des milliards investis dans un truc qui ... ne fonctionne pas. Message édité par froggycorp le 11-10-2025 à 12:45:17 |
jma64 Electricien chez MOI 8-)) | .
--------------- . c'est tout |
timmymeow Timmy! |
|
MasterGone |
|
timmymeow Timmy! |
|
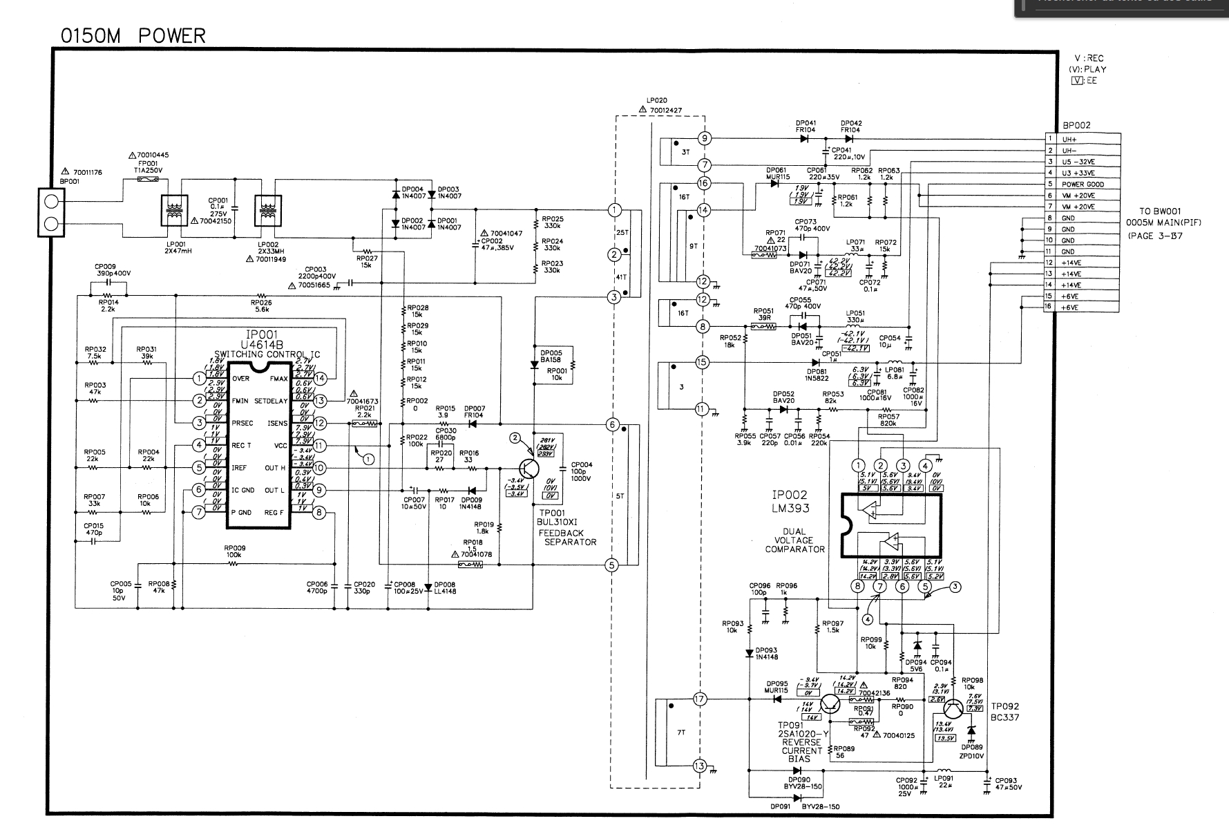
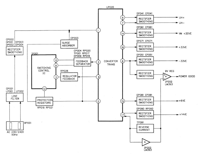
Jojo337 Pseudo à numéros | Salut, Mon père voulait passer son vieux Magnetoscope Toshiba V747F à un ami à lui pour qu'il puisse lire d'anciennes VHS et potentiellement récupérer des vidéos. J'ai tout démonté, rien ne semble cramé, rien n'a coulé, je ne pense pas voir de soudures sèches, pas de bruits spécifiques et de bourdonnement. Le fusible est bon. C'était un peu sale mais j'ai nettoyé. 1) Marque : Toshiba Sur les points de tests les seuls qui donnent quelque chose sont (Multi UNI-T en V DC): Sur l'alim en elle même, je ne sais pas trop ou tester, mais proche de la sortie sur le connecteur blanc, les tensions sont nulles pour la plupart, quelques 0.2V décroissantes, et un endroit ou j'ai 2.3V (a gauche du connecteur blanc vers des condensateurs ou au niveau "15-16- sur la vue arrière). Bon c'est un peu fouilli, mais qu'en pensez vous ? On dirait qu'un ou des condos ne sont pas au mieux malgré leur physique ok Merci ! Message cité 1 fois Message édité par Jojo337 le 12-10-2025 à 22:34:19 --------------- Sauce |
TotalRecall Modérateur | Même approche que rat de combat pour les condos du primaire. En regardant vite fait le schéma il y a aussi une résistance fusible sur la broche 12 du contrôleur de découpage et une autre pas loin, ce genre de composants est à vérifier sur les vieux appareils. Message édité par TotalRecall le 13-10-2025 à 08:48:39 --------------- Topic .Net - C# @ Prog |
TotalRecall Modérateur | Ça a surtout l'air bien crade, comme les deux diodes en dessous qui ne ressemblent plus à rien donc dur à dire --------------- Topic .Net - C# @ Prog |
Jojo337 Pseudo à numéros | Oui c'est juste de la poussière (de poêle pendant 25 hivers au moins) rien ne semble cramé. Merci pour vos messages, je testerai tout ça en rentrant ! Message édité par Jojo337 le 13-10-2025 à 10:47:21 --------------- Sauce |
sub6tem |
|
TotalRecall Modérateur | Simple condo X2 en parallèle du secteur en filtre, aucun lien avec la panne. C'est pas un des rifa "boitier cristal" qui devient volcaniques en plus, celui là il a l'air de bonne volonté --------------- Topic .Net - C# @ Prog |
Gnarkill |
|
sub6tem |
|
TotalRecall Modérateur | J'ai pas dit que ceux là seraient immortels contrairement aux autres, juste que là c'est pas le problème --------------- Topic .Net - C# @ Prog |
Gnarkill | Devancé par Rat de combat |
Jojo337 Pseudo à numéros | J'ai testé les Diodes en mode Diode en effet (multimètre UNI-T UT139C) Message cité 1 fois Message édité par Jojo337 le 14-10-2025 à 19:27:35 --------------- Sauce |
sub6tem |
|
rat de combat attention rongeur méchant! |
--------------- Ne laissez pas mourir vos sujets en cours de route! |
Jojo337 Pseudo à numéros |
Pour la diode évidemment c'est pareil je trouve celle du dessus (200V au lieu de 150V) mais pas la "MUR115" ou a prix raisonnable... Merci pour vos retours encore une fois ! Message édité par Jojo337 le 15-10-2025 à 16:09:45 --------------- Sauce |
crazytiti http://crazytiti.free.fr/ | Il a dit .33W Celle d'ebay ira très bien Message cité 1 fois Message édité par crazytiti le 15-10-2025 à 15:19:25 --------------- Le PC est une drogue... Téléchargez mes modèles 3D pour que j'ai du filament gratuit :-D https://www.printables.com/fr/@Crazytiti_1456354 |
Publicité | Posté le ![]() ![]() |

FORUM HardWare.fr

Electronique, domotique, DIY

Conception, dépannage, mods

* Réparations de vos appareils électroniques & electromenager *| Sujets relatifs | |
|---|---|
| Plus de sujets relatifs à : * Réparations de vos appareils électroniques & electromenager * |


